
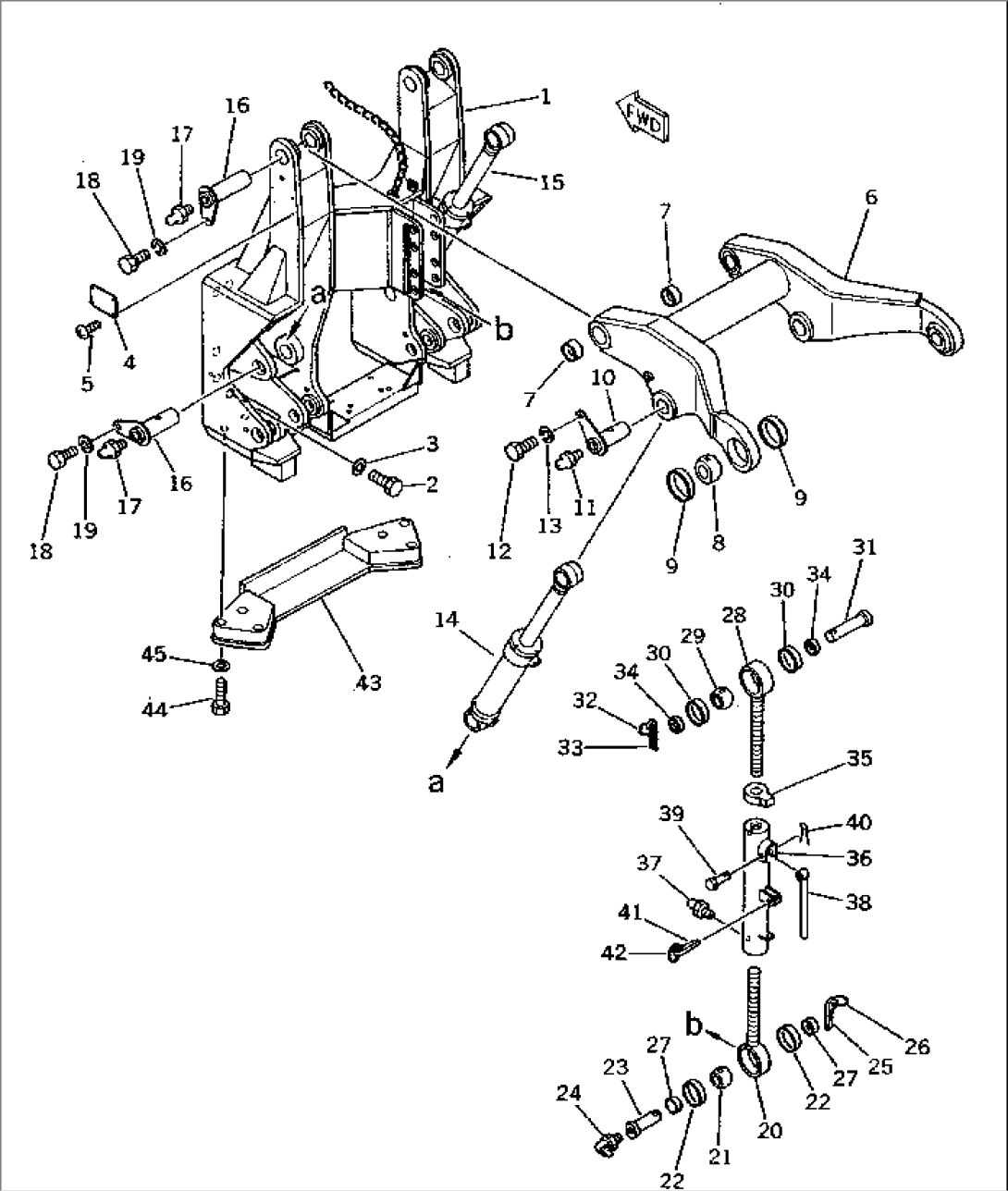
| Item | Part No. | Part Name | Qty | Serial No. |
| 1 | 11J-Y54-5110 | BRACKET | 40001- | |
| 2 | 01010-52050 | BOLT | 40001- | |
| 3 | 01643-32060 | WASHER | 40001- | |
| 4 | 09601-00835 | PLATE, NAME,(LIMITED SUPPLY) | 40001- | |
| 5 | 04418-13060 | SCREW | 40001- | |
| 6 | 11J-Y54-5210 | ARM ASS'Y | 40001- | |
| 7 | 07144-10402 | BUSHING | 40001- | |
| 8 | 11J-Y54-5130 | BUSHING | 40001- | |
| 9 | 114-Z54-1290 | SEAT | 40001- | |
| 10 | 114-Z54-2240 | PIN | 40001- | |
| 11 | 07020-00000 | FITTING,GREASE | 40001- | |
| 12 | 01010-51020 | BOLT | 40001- | |
| 13 | 01602-21030 | WASHER,SPRING | 40001- | |
| 14 | (113-63-49500) | CYLINDER ASS'Y,L.H. (SEE FIG.7611) | 40001- | |
| 15 | (113-63-49600) | CYLINDER ASS'Y,R.H. (SEE FIG.7611) | 40001- | |
| 16 | 114-Z54-2250 | PIN | 40001- | |
| 17 | 07020-00000 | FITTING,GREASE | 40001- | |
| 18 | 01010-51020 | BOLT | 40001- | |
| 19 | 01602-21030 | WASHER,SPRING | 40001- | |
| 20 | 11J-Y54-5310 | ROD | 40001- | |
| 21 | 11J-Y54-5330 | BUSHING | 40001- | |
| 22 | 11J-Y54-5340 | SEAT | 40001- | |
| 23 | 114-Z54-2460 | PIN | 40001- | |
| 24 | 07020-00900 | FITTING,GREASE | 40001- | |
| 25 | 409-70-11410 | PIN | 40001- | |
| 26 | 409-70-11420 | RING | 40001- | |
| 27 | 11J-Y54-5350 | COLLAR | 40001- | |
| 28 | 11J-Y54-5320 | ROD | 40001- | |
| 29 | 11J-Y54-5330 | BUSHING | 40001- | |
| 30 | 11J-Y54-5340 | SEAT | 40001- | |
| 31 | 112-901-1190 | PIN | 40001- | |
| 32 | 409-70-11410 | PIN | 40001- | |
| 33 | 409-70-11420 | RING | 40001- | |
| 34 | 101-Z54-1690 | SPACER | 40001- | |
| 35 | 11J-Y54-5380 | NUT | 40001- | |
| 36 | 11J-Y54-5370 | BACKLE,TURN | 40001- | |
| 37 | 07020-00001 | FITTING,GREASE | 40001- | |
| 38 | 12F-954-2530 | LEVER | 40001- | |
| 39 | 04205-11450 | PIN | 40001- | |
| 40 | 04050-14022 | PIN,COTTER | 40001- | |
| 41 | 409-70-11410 | PIN | 40001- | |
| 42 | 409-70-11420 | RING | 40001- | |
| 43 | 11J-Y54-5180 | BRACKET | 40001- | |
| 44 | 01010-52080 | BOLT | 40001- | |
| 45 | 01643-32060 | WASHER | 40001- |
