
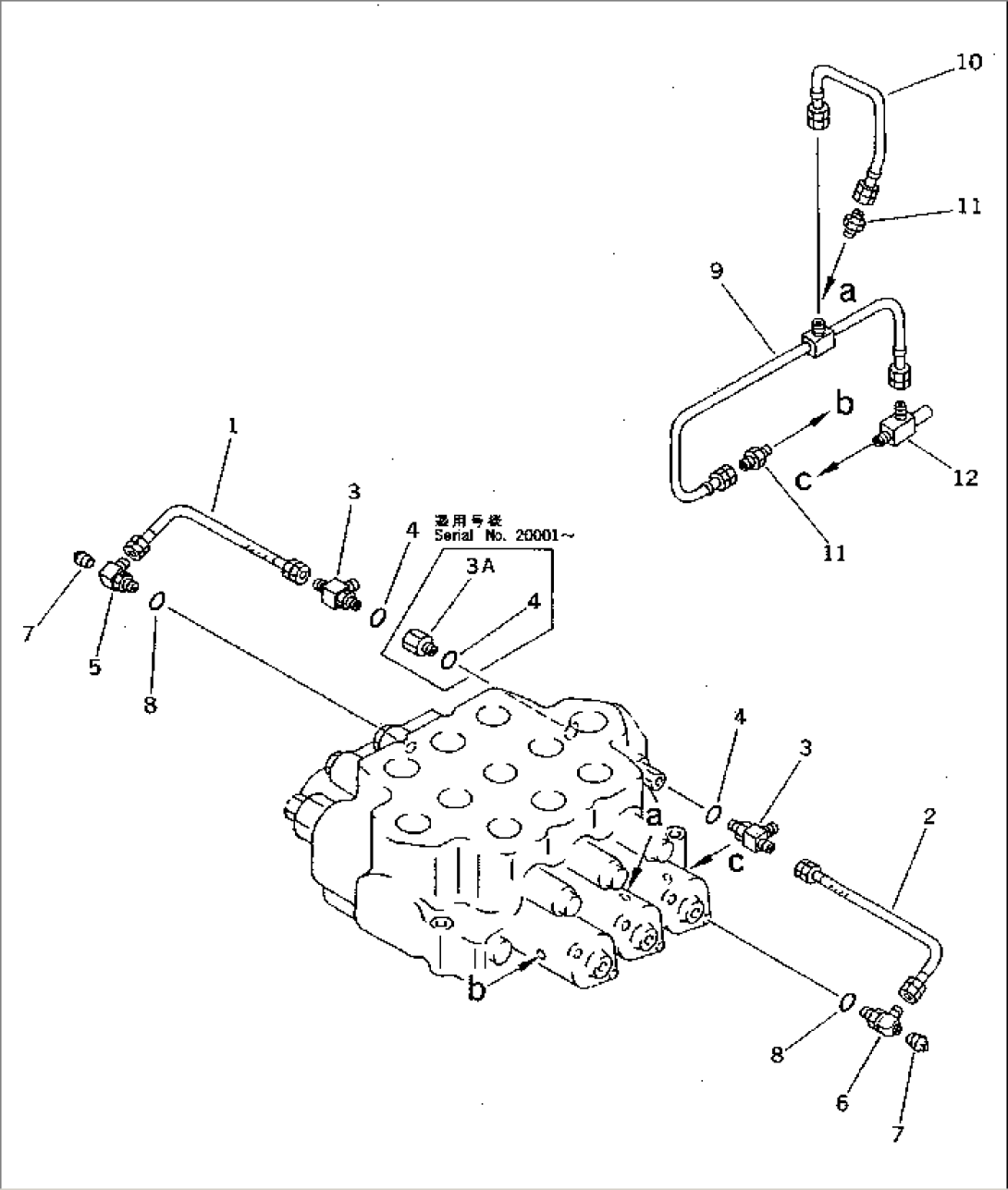
| Item | Part No. | Part Name | Qty | Serial No. |
| (709-13-11900) | VALVE ASS'Y | 20001- | ||
| (709-13-11204) | VALVE ASS'Y | 10968-19999 | ||
| 1 | 709-12-12720 | HOSE | 20001- | |
| 709-12-12220 | HOSE | 10968-19999 | ||
| 2 | 709-12-12720 | HOSE | 20001- | |
| 709-12-12210 | HOSE | 10968-19999 | ||
| 3 | 709-12-12740 | TEE | 20001- | |
| 709-12-12350 | TEE | 10968-19999 | ||
| 3A | 709-12-12260 | NIPPLE | 20001- | |
| 4 | 07002-01423 | O-RING | 20001- | |
| 07002-01423 | O-RING | 10001-19999 | ||
| 5 | 709-12-12760 | ELBOW | 20001- | |
| 709-12-12360 | ELBOW | 10968-19999 | ||
| 6 | 07235-50315 | ELBOW | 20001- | |
| 07235-50210 | ELBOW | 10968-19999 | ||
| 7 | 07042-30108 | PLUG | 10001- | |
| 8 | 07002-02034 | O-RING | 20001- | |
| 07002-01423 | O-RING | 10968-19999 | ||
| 9 | 709-13-11260 | TUBE | 10968- | |
| 10 | 709-13-11270 | TUBE | 10968- | |
| 11 | 208-06-11220 | NIPPLE | 10001- | |
| 12 | 421-62-14620 | TEE | 10001- |
