
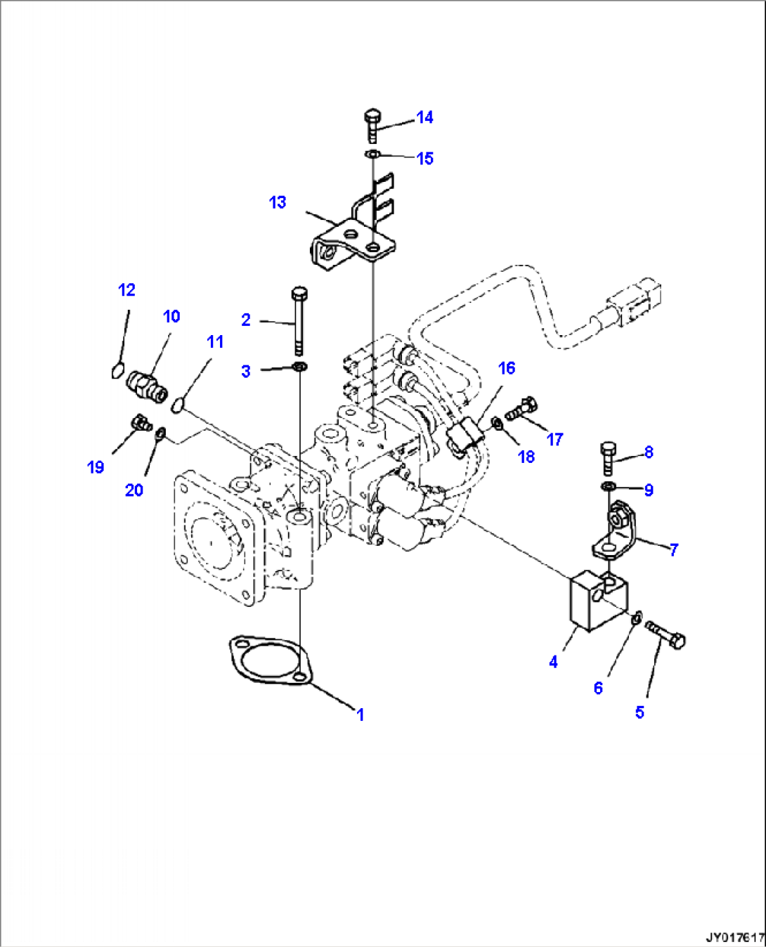
| Item | Part No. | Part Name | Qty | Serial No. |
| 1 | 6166-61-6341 | GASKET | ||
| 2 | 01010-81090 | BOLT | ||
| 3 | 01643-31032 | WASHER | ||
| 4 | 6262-41-9220 | BRACKET | ||
| 5 | 01010-81045 | BOLT | ||
| 6 | 01643-31032 | WASHER | ||
| 7 | 6262-41-9230 | BRACKET | ||
| 8 | 01010-81055 | BOLT | ||
| 9 | 01643-31032 | WASHER | ||
| 10 | 02781-0031D | UNION | ||
| 11 | 07002-21423 | O-RING | ||
| 12 | 02896-21009 | O-RING | ||
| 13 | 6262-41-9210 | BRACKET | ||
| 14 | 01010-81020 | BOLT | ||
| 15 | 01643-31032 | WASHER | ||
| 16 | 600-051-2080 | CLIP | ||
| 17 | 01010-81020 | BOLT | ||
| 18 | 01643-31032 | WASHER | ||
| 19 | 07040-11409 | PLUG | ||
| 20 | 07005-01412 | GASKET |
