
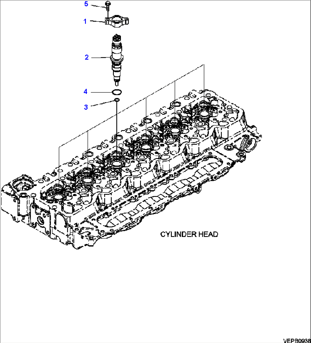
| Item | Part No. | Part Name | Qty | Serial No. |
| 1 | 6754-11-3110 | CLAMP, INJECTOR | ||
| 2 | 6754-11-3011 | INJECTOR | ||
| 3 | 6754-11-3130 | SEAL, INJECTOR | ||
| 4 | 6754-11-3140 | SEAL, O-RING | ||
| 5 | 6742-01-2630 | BOLT (M6-1.00x30) |

| Item | Part No. | Part Name | Qty | Serial No. |
| 1 | 6754-11-3110 | CLAMP, INJECTOR | ||
| 2 | 6754-11-3011 | INJECTOR | ||
| 3 | 6754-11-3130 | SEAL, INJECTOR | ||
| 4 | 6754-11-3140 | SEAL, O-RING | ||
| 5 | 6742-01-2630 | BOLT (M6-1.00x30) |