
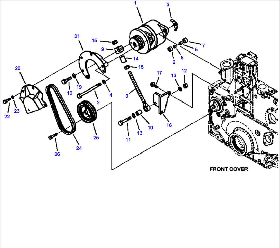
| Item | Part No. | Part Name | Qty | Serial No. |
| 1 | ALTERNATOR, 75 A (SEE FIG. A6109-B8A5) | |||
| 2 | 6732-81-6840 | BOLT | ||
| 3 | 6261-81-6890 | BRACKET | ||
| 4 | 1238 116 H1 | WASHER | ||
| 5 | 6210-61-6530 | PIN | ||
| 6 | 6210-81-6750 | SPACER | ||
| 7 | 6217-81-6550 | SPACER | ||
| 8 | 6240-81-8611 | ROD | ||
| 9 | 6261-81-8340 | PLATE | ||
| 10 | 6215-81-6150 | PIN | ||
| 11 | 01010-81260 | BOLT | ||
| 12 | 01580-11210 | NUT | ||
| 13 | 01643-31232 | WASHER | ||
| 14 | 6261-81-8350 | SPACER | ||
| 15 | 01580-11613 | NUT | ||
| 16 | 6210-82-6570 | BRACKET | ||
| 17 | 01435-01025 | BOLT | ||
| 18 | 01050-61260 | BOLT | ||
| 19 | 01643-31232 | WASHER | ||
| 20 | 6261-81-6440 | COVER | ||
| 21 | 6261-81-6430 | COVER | ||
| 22 | 01050-51020 | BOLT | ||
| 23 | 01640-21016 | WASHER | ||
| 24 | 6261-81-6810 | V-BELT (SET) | ||
| 25 | 6210-82-6840 | PULLEY, HARDENED | ||
| 26 | 01010-80820 | BOLT |
