
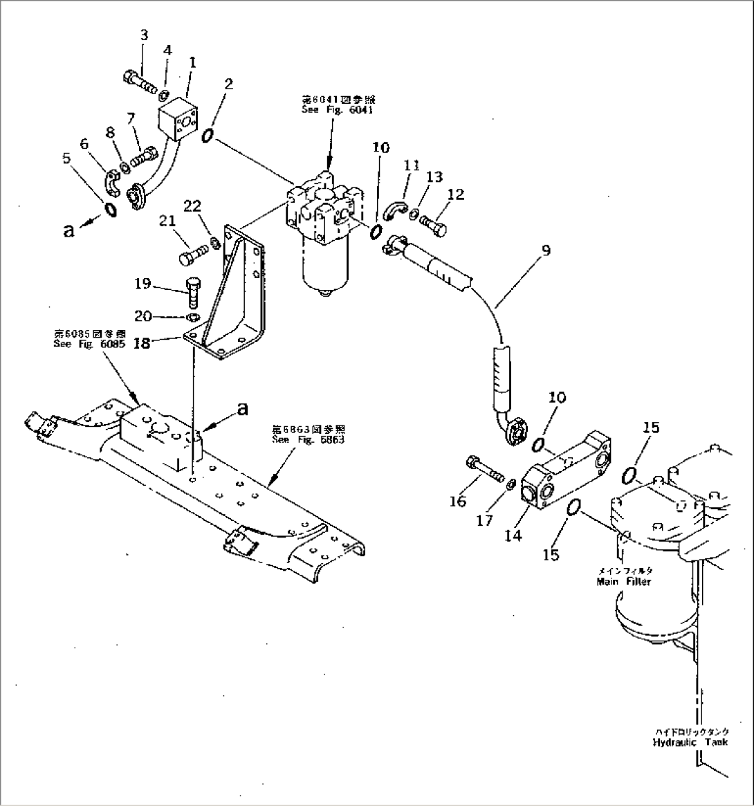
| Item | Part No. | Part Name | Qty | Serial No. |
| G-1 | (\8\208-970-X110) | PIPING KIT | 20001- | |
| ==================== | ||||
| 1 | 207-970-5241 | TUBE | 20001- | |
| 2 | 07000-13038 | O-RING | 20001- | |
| 3 | 01010-51090 | BOLT | 20001- | |
| 4 | 01643-31032 | WASHER | 20001- | |
| 5 | 07000-13038 | O-RING | 20001- | |
| 6 | 07371-31255 | FLANGE | 20001- | |
| 7 | 07372-21035 | BOLT | 20001- | |
| 8 | 01643-31032 | WASHER | 20001- | |
| 9 | 07298-01209 | HOSE | 20001- | |
| 10 | 07000-13038 | O-RING | 20001- | |
| 11 | 07371-31255 | FLANGE | 20001- | |
| 12 | 07372-21035 | BOLT | 20001- | |
| 13 | 01643-31032 | WASHER | 20001- | |
| 14 | 208-970-5140 | BLOCK | 20001- | |
| 15 | 07000-13045 | O-RING | 20001- | |
| 16 | 01011-51280 | BOLT | 20001- | |
| 17 | 01643-31232 | WASHER | 20001- | |
| 18 | 207-970-5130 | BRACKET | 20001- | |
| 19 | 01010-51235 | BOLT | 20001- | |
| 20 | 01643-31232 | WASHER | 20001- | |
| 21 | 01010-51635 | BOLT | 20001- | |
| 22 | 01643-31645 | WASHER | 20001- | |
| ==================== |
