
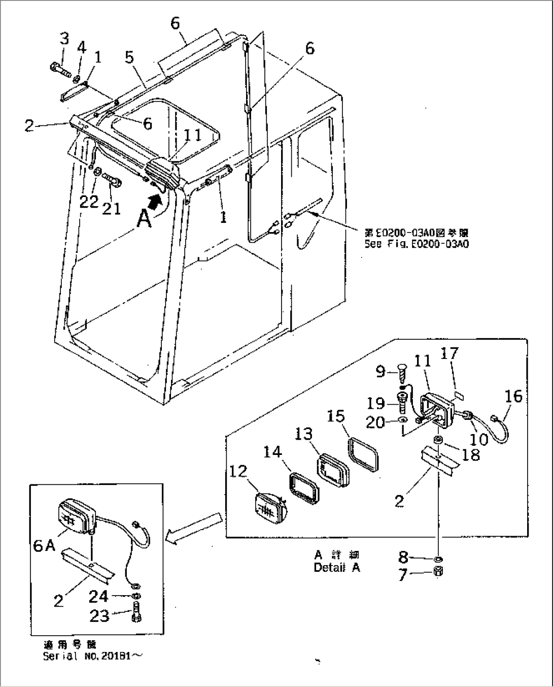
| Item | Part No. | Part Name | Qty | Serial No. |
| 1 | 209-06-61710 | BRACKET | 20179- | |
| 2 | 209-06-61720 | BRACKET | 20179- | |
| 3 | 01010-50820 | BOLT | 20001- | |
| 4 | 01643-30823 | WASHER | 20001- | |
| 5 | 209-06-61431 | WIRING HARNESS | 20179- | |
| 6 | 08051-00801 | CLIP | 20001- | |
| 6A | 20Y-06-21480 | WORK LAMP ASS'Y | 20181- | |
| 203-06-56140 | LAMP ASS'Y | 20179-20180 | ||
| 7 | 01582-11411 | NUT | 20001- | |
| 8 | 01643-31445 | WASHER | 20001- | |
| 9 | 04418-03060 | SCREW | 20001-20180 | |
| 10 | 09415-01008 | CAP | 20001-20180 | |
| 11 | 203-06-56160 | HOUSING | 20179-20180 | |
| 12 | 22W-06-12170 | BULB¤ 24V | 20001-20180 | |
| 13 | 22W-06-12290 | CUSHION | 20001-20180 | |
| 14 | 203-06-56190 | RING | 20179-20180 | |
| 15 | 203-06-56180 | RING | 20179-20180 | |
| 16 | 203-06-56150 | WIRE ASS'Y | 20179-20180 | |
| 17 | 203-06-56171 | PLATE | 20179-20180 | |
| 18 | 22W-06-12160 | SEAT | 20001-20180 | |
| 19 | 22W-06-12140 | BOLT | 20001-20180 | |
| 20 | 22W-06-12150 | WASHER | 20001-20180 | |
| 21 | 01010-50816 | BOLT | 20018- | |
| 22 | 01643-30823 | WASHER | 20001- | |
| 23 | 01010-50812 | BOLT | 20181- | |
| 24 | 01643-30823 | WASHER | 20181- |
