
| Item | Part No. | Part Name | Qty | Serial No. |
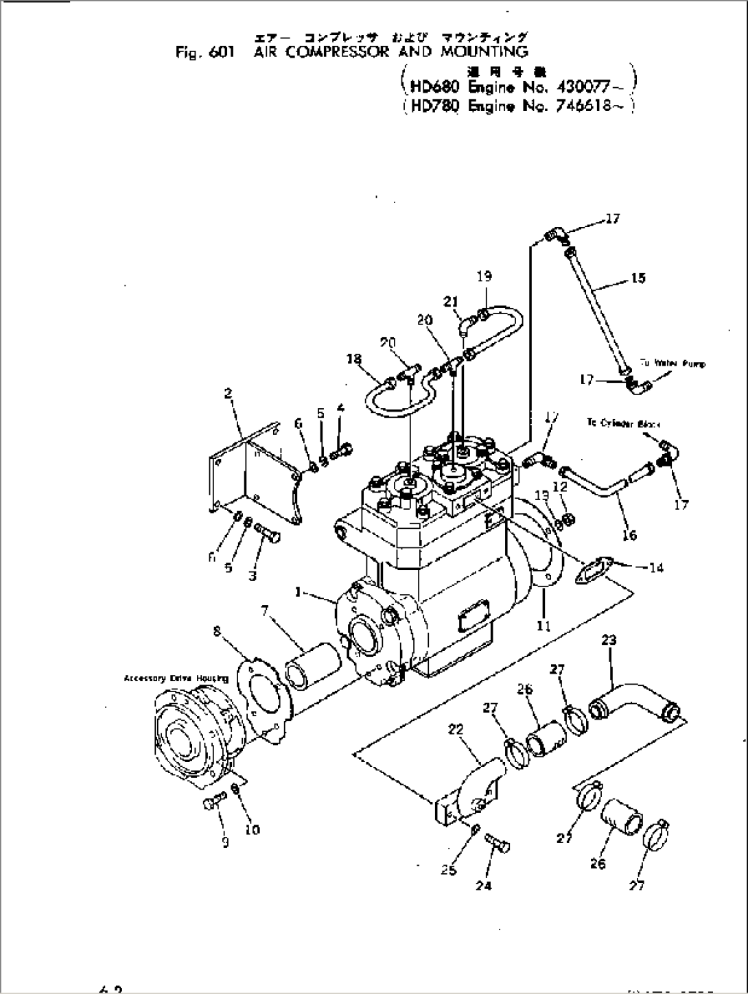
| 1 | CUAR-7545 | AIR COMPRESSOR | 430077-. | |
| CU3025827 | AIR COMPRESSOR | .- | ||
| 2 | CU198843 | BRACKET | 430077- | |
| 3 | 02010-20625 | BOLT | 430077- | |
| 4 | CU204249 | BOLT | 430077- | |
| 5 | 01602-00929 | WASHER | 430077- | |
| 6 | 01640-21016 | WASHER | 430077- | |
| 7 | CU199358 | COUPLING | 430077- | |
| 8 | CU218027 | GASKET | 430077-. | |
| CU3005962 | GASKET | .- | ||
| 9 | CU204249 | BOLT | 430077- | |
| 10 | CU118273 | GASKET | 430077- | |
| 11 | CU200817 | GASKET | 430077- | |
| 12 | 02215-10710 | NUT | 430077- | |
| 13 | CUS-689 | WASHER | 430077- | |
| 14 | CU127950 | GASKET | 430077- | |
| 15 | CU210570 | TUBE | 430077- | |
| 16 | CU210583 | TUBE | 430077-535023 | |
| 16 | CU3000060 | TUBE | 535024- | |
| 17 | CUS-1005-A | ELBOW | 430077- | |
| 18 | CU3005577 | TUBE | 535024- | |
| 19 | CU3005578 | TUBE | 535024- | |
| 20 | CU69314 | TEE | 535024- | |
| 21 | CU68139 | ELBOW | 535024- | |
| 22 | CU218252 | CONNECTION | 535024- | |
| 23 | CU218254 | TUBE | 535024- | |
| 24 | CU3022590 | BOLT | 535024- | |
| 25 | CUS-605 | WASHER | 535024- | |
| 26 | CU61554 | HOSE | 535024- | |
| 27 | CU43828-A | CLAMP | 535024- |
