
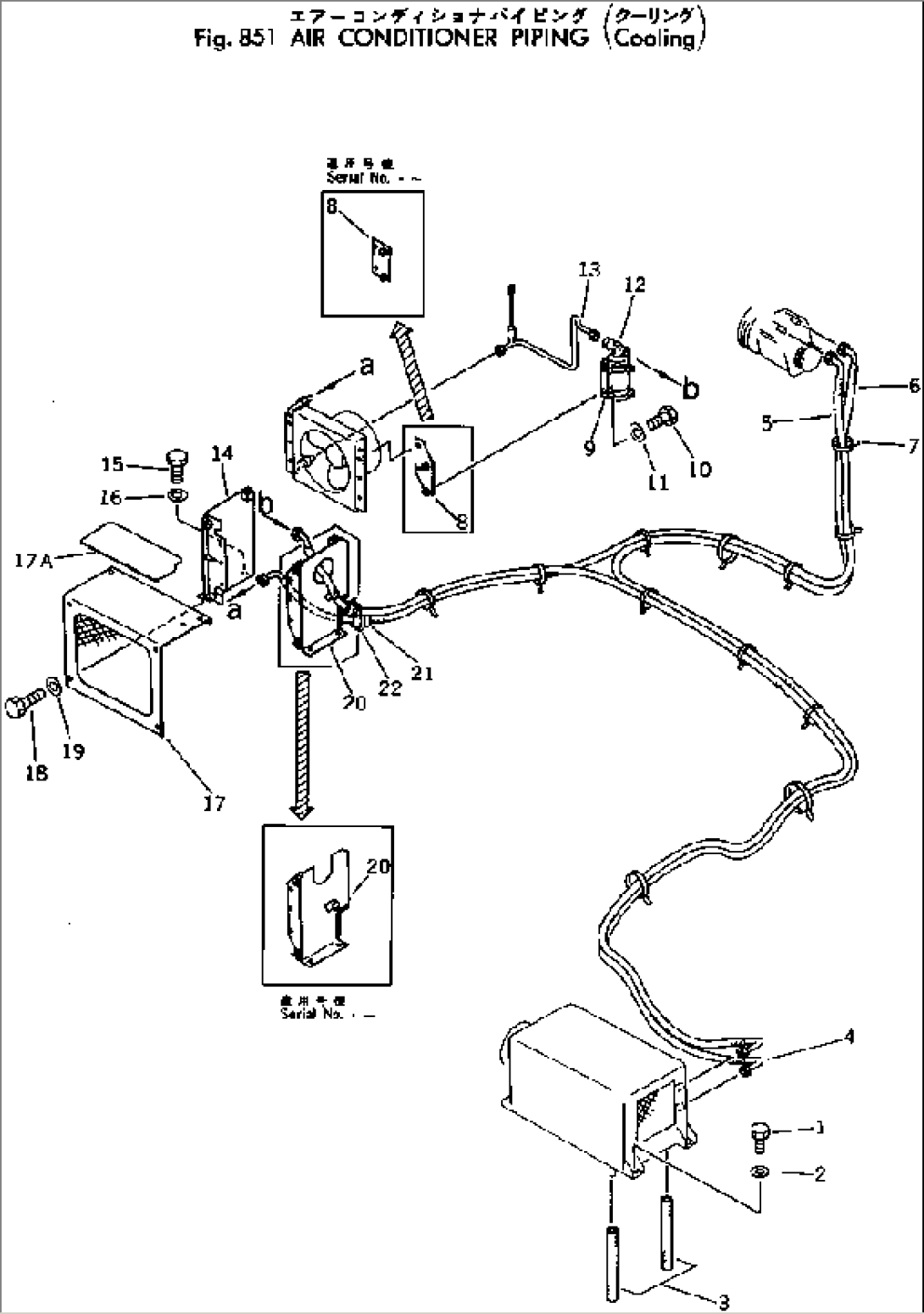
Item | Part No. | Part Name | Qty | Serial No. |
1 | 01010-51220 | BOLT | 11001- | |
2 | 01643-31232 | WASHER | 11001- | |
3 | 205-979-6350 | HOSE | 11001- | |
4 | 207-979-1180 | HOSE | 11001- | |
5 | 207-979-1190 | HOSE | 11001- | |
6 | 207-979-1170 | HOSE | 11001- | |
7 | 08034-00536 | BAND | 11001- | |
8 | 207-979-1291 | BRACKET | .- | |
8 | 207-979-1290 | BRACKET | 11001-. | |
9 | 198-911-4590 | HOLDER | 11001- | |
10 | 01010-50816 | BOLT | 11001- | |
11 | 01643-30823 | WASHER | 11001- | |
12 | 198-911-4610 | TANK | 11001- | |
13 | 207-979-1280 | TUBE | 11001- | |
14 | 207-979-1250 | BRACKET | 11001- | |
15 | 01010-51220 | BOLT | 11001- | |
16 | 01643-31232 | WASHER | 11001- | |
17 | 207-979-1260 | BRACKET | 11001- | |
17A | 207-979-1270 | SEAT | 11001- | |
18 | 01010-51220 | BOLT | 11001- | |
19 | 01643-31232 | WASHER | 11001- | |
20 | 207-979-1241 | BRACKET | .- | |
20 | 207-979-1240 | BRACKET | 11001-. | |
21 | 205-62-55780 | COVER | .- | |
21 | 205-62-55780 | COVER | 11001-. | |
22 | 08034-00536 | BAND | .- | |
22 | 08034-00536 | BAND | 11001-. |