
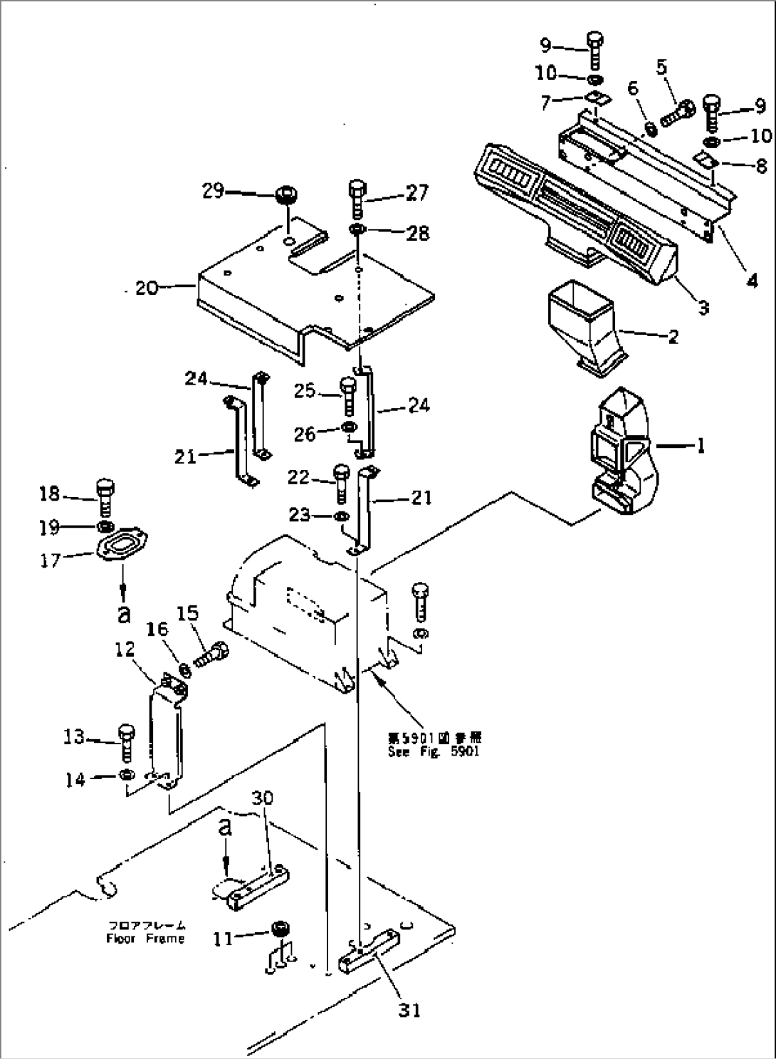
| Item | Part No. | Part Name | Qty | Serial No. |
| G-1 | (\8\20Y-979-X201) | AIR CONDITIONER G. | 45001-58018 | |
| ==================== | ||||
| 1 | 205-979-6120 | DUCT | 45001-@ | |
| 2 | 205-979-6140 | DUCT | 45001-@ | |
| 3 | 205-979-6130 | DUCT | 45001-@ | |
| 4 | 20Y-979-1360 | BRACKET | 45001-@ | |
| 5 | 01010-50820 | BOLT | 45001-@ | |
| 6 | 01643-30823 | WASHER | 45001-@ | |
| 7 | 20Y-979-1320 | PLATE | 45001-@ | |
| 8 | 20Y-979-1370 | PLATE | 45001-@ | |
| 9 | 01010-50812 | BOLT | 45001-@ | |
| 10 | 01643-30823 | WASHER | 45001-@ | |
| 11 | 20Y-977-1120 | CAP | 45001-@ | |
| 12 | 20Y-979-1440 | COVER | 45001-58018 | |
| 13 | 01010-51020 | BOLT | 45001-58018 | |
| 14 | 01643-31032 | WASHER | 45001-@ | |
| 15 | 01010-51025 | BOLT | 45001-@ | |
| 16 | 01643-31032 | WASHER | 45001-@ | |
| 17 | 20Y-979-1420 | COVER | 45001-@ | |
| 18 | 01010-51020 | BOLT | 45001-@ | |
| 19 | 01643-31032 | WASHER | 45001-@ | |
| 20 | 20Y-979-1410 | COVER | 45001-@ | |
| 21 | 20Y-979-1450 | BRACKET | 45001-@ | |
| 22 | 01010-51225 | BOLT | 45001-@ | |
| 23 | 01643-31232 | WASHER | 45001-@ | |
| 24 | 20Y-979-1390 | BRACKET | 45001-@ | |
| 25 | 01010-51020 | BOLT | 45001-@ | |
| 26 | 01643-31032 | WASHER | 45001-@ | |
| 27 | 01010-51020 | BOLT | 45001-@ | |
| 28 | 01643-31032 | WASHER | 45001-@ | |
| 29 | 08037-02512 | GROMMET | 45001-@ | |
| 30 | 20Y-979-1340 | SEAT (WELDED) | 45001-@ | |
| 31 | 20Y-979-1350 | SEAT (WELDED) | 45001-@ | |
| ==================== |
