
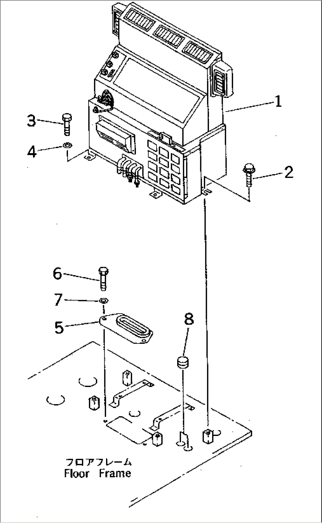
| Item | Part No. | Part Name | Qty | Serial No. |
| 1 | (207-979-5410) | AIR CONDITIONER A.,(SEE FIG.5901A) | 11020- | |
| 2 | 01439-01230 | BOLT | 11148- | |
| \1\195-54-26230 | BOLT | 11020-11147 | ||
| 3 | 01010-51230 | BOLT | 11020- | |
| 4 | 01643-31232 | WASHER | 11020- | |
| 5 | 207-979-5510 | COVER | 11020- | |
| 6 | 01010-51020 | BOLT | 11020- | |
| 7 | 01643-31032 | WASHER | 11020- | |
| 8 | 20Y-977-1120 | CAP | 11020- |
