
| Item | Part No. | Part Name | Qty | Serial No. |
| G-1 | (\8\21T-979-X100) | AIR CONDITIONER G.,(LOW CAB) | 10001-@ | |
| ==================== | ||||
| 195-Z11-5103 | AIR CONDITIONER UNIT | 10023-@ | ||
| \0\195-Z11-5101 | AIR CONDITIONER UNIT | 10001-10022 | ||
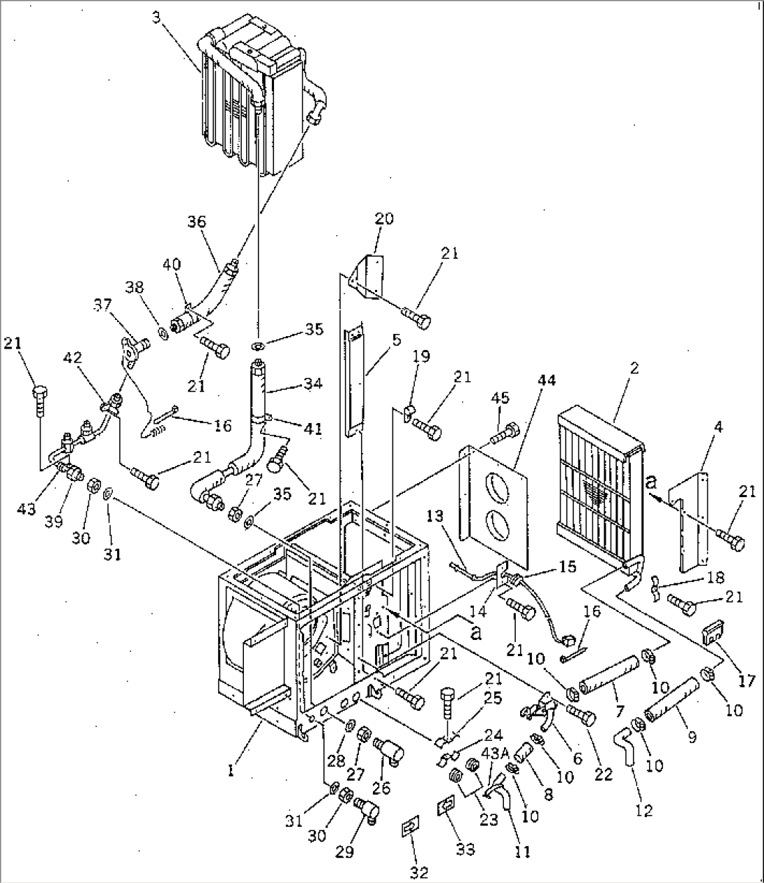
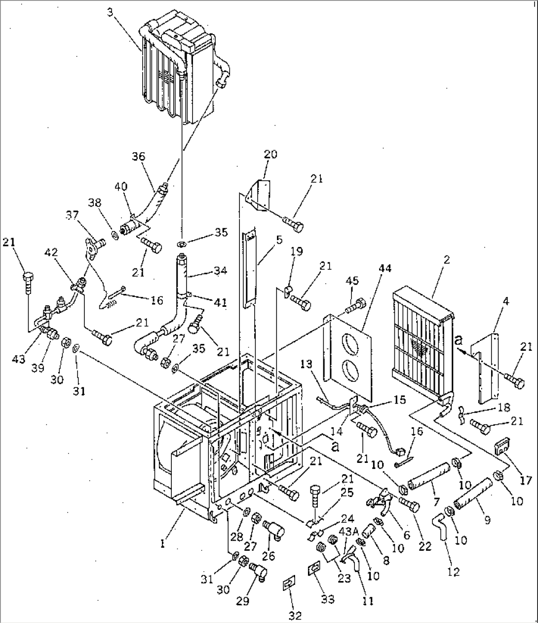
| THESE ASSEMBLY CONSIST OF ALL PARTS SHOWN IN FIGS.K0710-01A0 AND K0710-02A0. | ||||
| 195-Z11-5703 | UNIT ASS'Y | 10023-@ | ||
| \0\195-Z11-5701 | UNIT ASS'Y | 10001-10022 | ||
| 1 | 195-Z11-5511 | CASE ASS'Y | 10001-@ | |
| 2 | 195-Z11-5520 | RADIATOR ASS'Y | 10001-@ | |
| 3 | 195-Z11-5530 | EVAPORATOR ASS'Y | 10001-@ | |
| 4 | 195-Z11-5680 | COVER | 10001-@ | |
| 5 | 195-Z11-5930 | STAY | 10001-@ | |
| 6 | 195-Z11-5740 | VALVE ASS'Y | 10001-@ | |
| 7 | 195-Z11-5760 | HOSE | 10001-@ | |
| 8 | 195-Z11-5770 | HOSE | 10001-@ | |
| 9 | 195-Z11-5750 | HOSE | 10001-@ | |
| 10 | 145-Z79-6560 | CLIP | 10001-@ | |
| 11 | 195-Z11-5820 | PIPE | 10001-@ | |
| 12 | 195-Z11-5830 | PIPE | 10001-@ | |
| 13 | 195-Z11-6230 | THERMISTOR | 10001-@ | |
| 14 | 195-Z11-6160 | BRACKET | 10001-@ | |
| 15 | 195-Z11-6170 | GROMMET | 10001-@ | |
| 16 | 195-Z11-5950 | BAND | 10001-@ | |
| 17 | 195-Z11-5780 | GROMMET | 10001-@ | |
| 18 | 195-Z11-6120 | CLAMP | 10001-@ | |
| 19 | 195-Z11-7160 | CLAMP | 10001-@ | |
| 20 | 195-Z11-5910 | COVER | 10001-@ | |
| 21 | 01010-50616 | BOLT | 10001-@ | |
| 22 | 01010-50816 | BOLT | 10001-@ | |
| 23 | 195-Z11-5790 | GROMMET | 10001-@ | |
| 24 | 195-Z11-5970 | CLAMP | 10001-@ | |
| 25 | 195-Z11-6110 | CLAMP | 10001-@ | |
| 26 | 195-Z11-6310 | ELBOW | 10001-@ | |
| 27 | 195-Z11-5620 | NUT | 10001-@ | |
| 28 | 195-Z11-5630 | WASHER | 10001-@ | |
| 29 | 195-Z11-5640 | ELBOW | 10001-@ | |
| 30 | 195-Z11-5650 | NUT | 10001-@ | |
| 31 | 195-Z11-5660 | WASHER | 10001-@ | |
| 32 | ND146741-2680 | ORNAMENT | 10001-@ | |
| 33 | ND146741-2570 | ORNAMENT | 10001-@ | |
| 34 | 195-Z11-5610 | TUBE,SUCTION | 10001-10022 | |
| 35 | 195-Z11-5730 | PACKING | 10001-@ | |
| 36 | 195-Z11-5850 | TUBE | 10001-10022 | |
| 37 | 195-Z11-5710 | VALVE,EXPANSION | 10001-10022 | |
| 38 | 195-Z11-7170 | INSULATOR | 10001-10022 | |
| 39 | 195-Z11-5670 | TUBE | 10001-10022 | |
| 40 | 195-Z11-5980 | CLIP | 10001-@ | |
| 41 | 195-Z11-6130 | CLAMP | 10001-@ | |
| 42 | 195-Z11-6140 | CLAMP | 10001-@ | |
| 43 | 195-Z11-5990 | CLIP | 10001-@ | |
| 43A | 195-Z11-5720 | HOLDER | 10001-@ | |
| 44 | 195-Z11-6291 | DUCT,AIR | 10001-@ | |
| 45 | 01010-50816 | BOLT | 10001-@ | |
| ==================== |
