
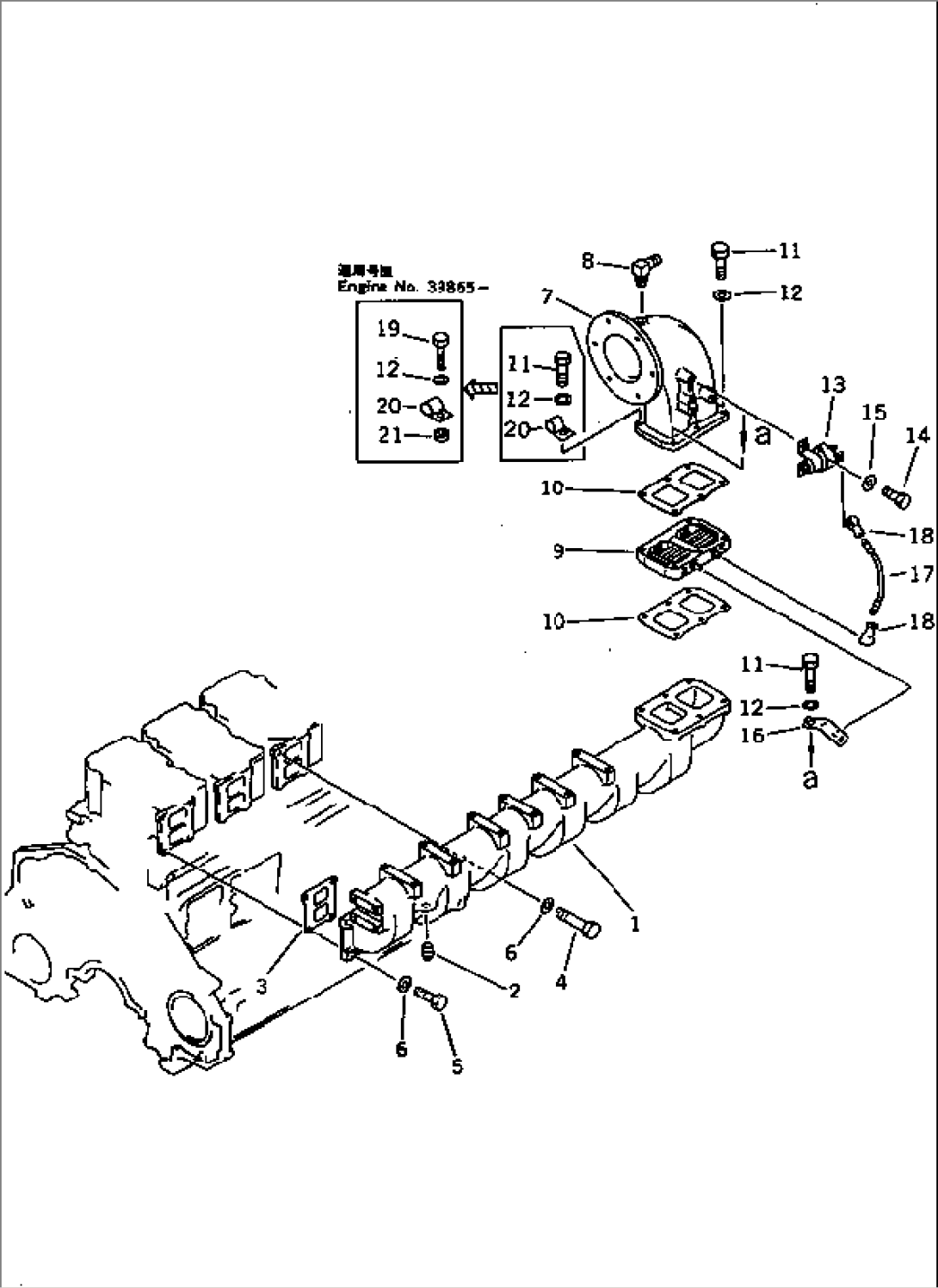
| Item | Part No. | Part Name | Qty | Serial No. |
| 6150-11-4910 | INTAKE MANIFOLD A. | 24586- | ||
| 1 | \6\ | MANIFOLD,INTAKE | 24586- | |
| 2 | 07042-00415 | PLUG | 24586- | |
| 3 | 6150-11-4810 | GASKET (K1) | 24586- | |
| 4 | 01011-51010 | BOLT | 24586- | |
| 5 | 01010-51030 | BOLT | 24586- | |
| 6 | 01640-21016 | WASHER | 24586- | |
| 7 | 6150-11-4210 | CONNECTOR,AIR | 41725- | |
| 6150-11-4240 | CONNECTOR,AIR | 24586-41724 | ||
| 8 | 08671-50721 | ELBOW | 24586- | |
| 9 | 600-815-3810 | HEATER | 24586- | |
| 10 | 6150-11-4820 | GASKET (K1) | 24586- | |
| 11 | 01010-51055 | BOLT | 39865- | |
| 01010-51055 | BOLT | 24586-39864 | ||
| 12 | 01641-21016 | WASHER | 24586- | |
| 13 | 600-815-2170 | SWITCH,HEATER | 24586- | |
| 14 | 01010-50616 | BOLT | 24586- | |
| 15 | 01640-20610 | WASHER | 24586- | |
| 16 | 6150-81-4330 | PLATE | 24586- | |
| 17 | 6151-81-4420 | WIRE¤ 160MM | 24586- | |
| 18 | 08038-00519 | CAP | 24586- | |
| 19 | 01010-51060 | BOLT | 39865- | |
| 20 | 6150-51-9490 | CLIP,(SEE FIG.0321) | 24586- | |
| 21 | 203-57-21330 | SPACER | 39865- |
