
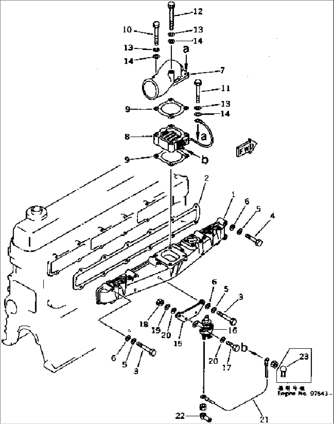
| Item | Part No. | Part Name | Qty | Serial No. |
| 1 | 6136-12-4120 | MANIFOLD,AIR INTAKE | 92268-@ | |
| 2 | 6136-11-4811 | GASKET (K1) | 92268-@ | |
| 3 | 01010-30865 | BOLT | 92268-106575 | |
| 4 | 01010-30850 | BOLT | 92268-106575 | |
| 5 | 01602-00825 | WASHER,SPRING | 92268-106575 | |
| 6 | 01640-20816 | WASHER | 92268-106575 | |
| 7 | 6136-11-4260 | CONNECTOR,AIR | 92268-@ | |
| 8 | 600-815-2341 | HEATER,RIBBON | 92268-@ | |
| 9 | 6136-11-4820 | GASKET (K1) | 92268-@ | |
| 10 | 01010-30870 | BOLT | 92268-106575 | |
| 11 | 01010-30875 | BOLT | 92268-106575 | |
| 12 | 6141-84-6460 | BOLT | 92268-106575 | |
| 13 | 01602-00825 | WASHER,SPRING | 92268-106575 | |
| 14 | 01640-20816 | WASHER | 92268-106575 | |
| 15 | 6136-81-4111 | PLATE | 92268-@ | |
| 16 | 600-815-2170 | SWITCH | 92268-@ | |
| 17 | 01010-30620 | BOLT | 92268-106575 | |
| 18 | 01580-00605 | NUT | 92268-106575 | |
| 19 | 01602-00619 | WASHER,SPRING | 92268-106575 | |
| 20 | 01641-20610 | WASHER | 92268-@ | |
| 21 | 6136-81-4340 | WIRE¤ 250MM | 105882-@ | |
| \1\6151-81-4410 | WIRE¤ 265MM | 92268-105881 | ||
| 22 | 08038-00519 | CAP | 92268-106575 | |
| 23 | 08038-00519 | CAP | 97543-106575 |
