
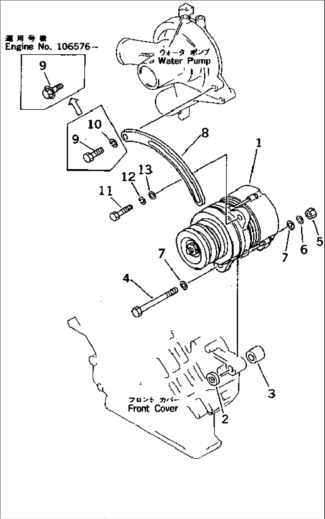
| Item | Part No. | Part Name | Qty | Serial No. |
| 1 | (600-821-6130) | ALTERNATOR A. (25A),(SEE FIG.0641) | 92268- | |
| 2 | 6136-21-6610 | SPACER | 92268- | |
| 3 | 6136-21-6620 | SPACER | 92268- | |
| 4 | 6112-21-6580 | BOLT | 92268- | |
| 5 | 01580-01411 | NUT | 92268- | |
| 6 | 01602-01442 | WASHER,SPRING | 92268- | |
| 7 | 01641-21423 | WASHER | 92268- | |
| 8 | 6136-21-6723 | PLATE,ADJUST | 92268- | |
| 9 | 01435-01020 | BOLT | 106576- | |
| \0\01010-31030 | BOLT | 92268-106575 | ||
| 10 | 01602-01030 | WASHER,SPRING | 92268-106575 | |
| 11 | 01050-31235 | BOLT | 92268- | |
| 12 | 01602-01236 | WASHER,SPRING | 92268- | |
| 13 | 01643-31232 | WASHER | 92268- |
