
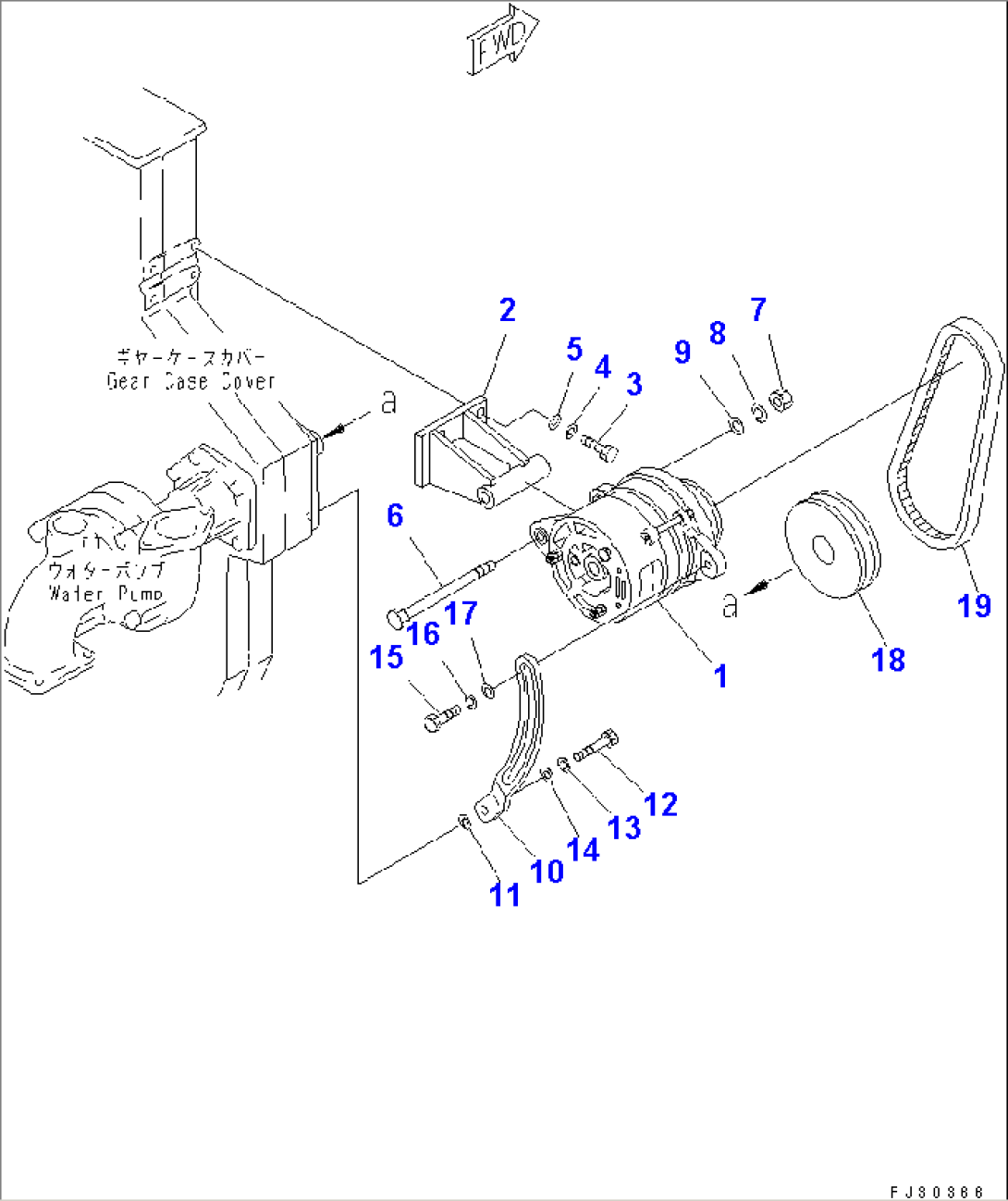
| Item | Part No. | Part Name | Qty | Serial No. |
| G-1 | (\8\6162-8X-6701) | ALTERNATOR GROUP | 11329- | |
| G-1 | (\8\6162-8X-6700) | ALTERNATOR GROUP | 10332-11328 | |
| ==================== | ||||
| 1 | (600-821-7610) | ALTERNATOR A. (35A),(SEE FIG.0641A) | 11809- | |
| (\0\600-821-7250) | ALTERNATOR A. (35A),(SEE FIG.0641) | 10332-11808 | ||
| 2 | 6162-83-4312 | BRACKET | 11329- | |
| 6162-83-4311 | BRACKET | 10332-11328 | ||
| 3 | 01010-31030 | BOLT | 10332- | |
| 4 | 01602-01030 | WASHER,SPRING | 10332- | |
| 5 | 01640-01016 | WASHER | 10332- | |
| 6 | 6128-21-6780 | BOLT | 10332- | |
| 7 | 02205-10812 | NUT | 10332- | |
| 8 | 01602-01338 | WASHER,SPRING | 10332- | |
| 9 | 01640-21323 | WASHER | 10332- | |
| 10 | 6162-83-4331 | PLATE,ADJUST | 10332- | |
| 11 | 01640-01016 | WASHER | 10332- | |
| 12 | 01010-31040 | BOLT | 10332- | |
| 13 | 01602-01030 | WASHER,SPRING | 10332- | |
| 14 | 01643-31032 | WASHER | 10332- | |
| 15 | 01050-31235 | BOLT | 10332- | |
| 16 | 01602-01236 | WASHER,SPRING | 10332- | |
| 17 | 6691-21-6360 | SPACER | 10332- | |
| 18 | 6162-83-1280 | PULLEY | 10332- | |
| 19 | 04120-21933 | V-BELT | 10332- | |
| ==================== |
