
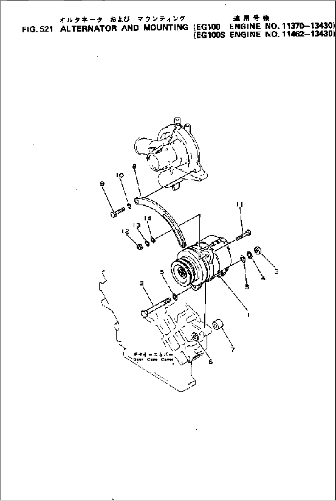
| Item | Part No. | Part Name | Qty | Serial No. |
| 1 | (600-821-5450) | ALTERNATOR A. (25A),(SEE FIG.541) | 11370-13430 | |
| 2 | 01011-31430 | BOLT | 11370-@ | |
| 3 | 01580-01411 | NUT | 11370-@ | |
| 4 | 01602-01442 | WASHER,SPRING | 11370-@ | |
| 5 | 01641-21426 | WASHER | 11370-@ | |
| 6 | 6136-21-6610 | SPACER | 11370-@ | |
| 7 | 6136-21-6620 | SPACER | 11370-@ | |
| 8 | 6136-21-6721 | PLATE,ADJUST | 11370-13430 | |
| 9 | 01010-31025 | BOLT | 11370-@ | |
| 10 | 01602-01030 | WASHER,SPRING | 11370-@ | |
| 11 | 01010-31035 | BOLT | 11370-13430 | |
| 12 | 01580-01008 | NUT | 11370-13430 | |
| 13 | 01602-01030 | WASHER,SPRING | 11370-13430 | |
| 14 | 01643-31032 | WASHER | 11370-13430 |
