
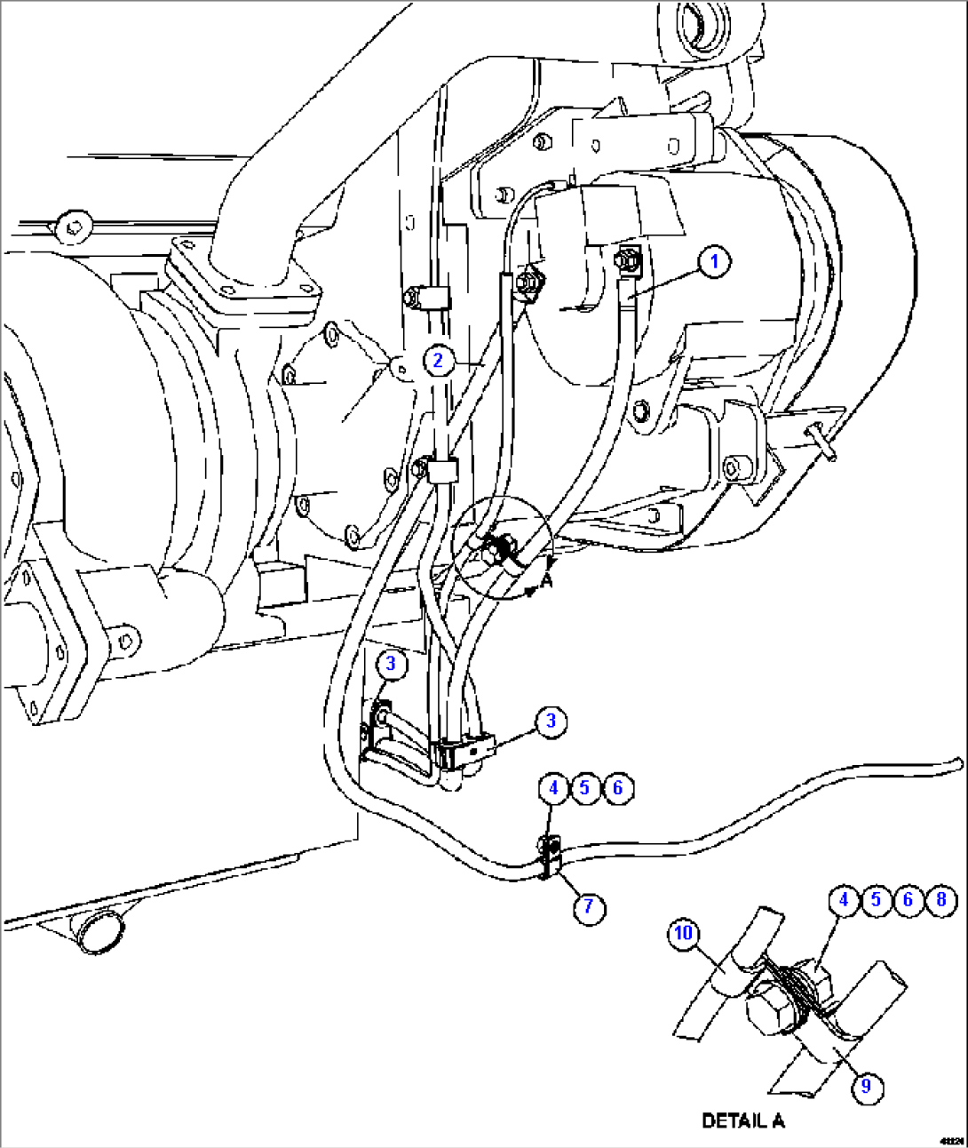
| Item | Part No. | Part Name | Qty | Serial No. |
| 1 | CH4625 | CABLE, RED | ||
| 2 | CH4524 | CABLE, BLACK | ||
| 3 | EJ3891 | CLAMP ASSEMBLY | ||
| 4 | MM0178 | NUT - M10 X 1.50 | ||
| 5 | MM0471 | LOCKWASHER - M10 | ||
| 6 | MM0461 | FLAT WASHER - M10 | ||
| 7 | WB1303 | CLAMP, CUSHION - 3/4" | ||
| 8 | MM0042 | CAPSCREW - M10 X 1.50 X 25 | ||
| 9 | WB3097 | CLAMP, CUSHION - 1/2" | ||
| 10 | WB3098 | CLAMP, CUSHION - 3/8" |
