
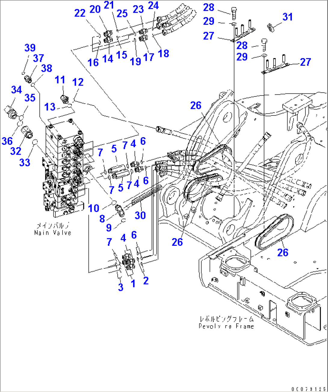
| Item | Part No. | Part Name | Qty | Serial No. |
| 1 | 02781-00522 | UNION | 20001- | |
| 2 | 02896-11015 | O-RING | 20001- | |
| 3 | 07002-12434 | O-RING | 20001- | |
| 4 | 02781-00522 | UNION | 20001- | |
| 5 | 22B-62-12150 | JOINT | 20001- | |
| 6 | 02896-11015 | O-RING | 20001- | |
| 7 | 07002-12434 | O-RING | 20001- | |
| 8 | 02782-10628 | ELBOW | 20001- | |
| 9 | 02896-11018 | O-RING | 20001- | |
| 10 | 07002-12434 | O-RING | 20001- | |
| 11 | 02782-10522 | ELBOW | 20001- | |
| 12 | 02896-11015 | O-RING | 20001- | |
| 13 | 07002-12434 | O-RING | 20001- | |
| 14 | 21W-62-46660 | NIPPLE | 20001- | |
| 15 | 02896-11015 | O-RING | 20001- | |
| 16 | 07002-12434 | O-RING | 20001- | |
| 17 | 02781-00522 | UNION | 20001- | |
| 18 | 02896-11015 | O-RING | 20001- | |
| 19 | 07002-12434 | O-RING | 20001- | |
| 20 | 02781-00522 | UNION | 20001- | |
| 21 | 02896-11015 | O-RING | 20001- | |
| 22 | 07002-12434 | O-RING | 20001- | |
| 23 | 02781-0042A | JOINT | 20001- | |
| 24 | 02896-11012 | O-RING | 20001- | |
| 25 | 07002-12434 | O-RING | 20001- | |
| 26 | 21Y-62-11340 | GROMMET | 20001- | |
| 27 | 21Y-62-11510 | CLAMP | 20001- | |
| 28 | 01010-81225 | BOLT | 20001- | |
| 29 | 01643-31232 | WASHER | 20001- | |
| 30 | 22B-62-22740 | CUSHION | 20001- | |
| 31 | 22B-62-22920 | GROMMET | 20001- | |
| 32 | 22B-62-15950 | JOINT | 20001- | |
| 33 | 07002-13334 | O-RING | 20001- | |
| 34 | 21W-62-42640 | ELBOW | 20001- | |
| 35 | 207-62-64740 | O-RING | 20001- | |
| 36 | 07002-13334 | O-RING | 20001- | |
| 37 | 02781-00628 | UNION | 20001- | |
| 38 | 07002-12434 | O-RING | 20001- | |
| 39 | 02896-11018 | O-RING | 20001- |
