
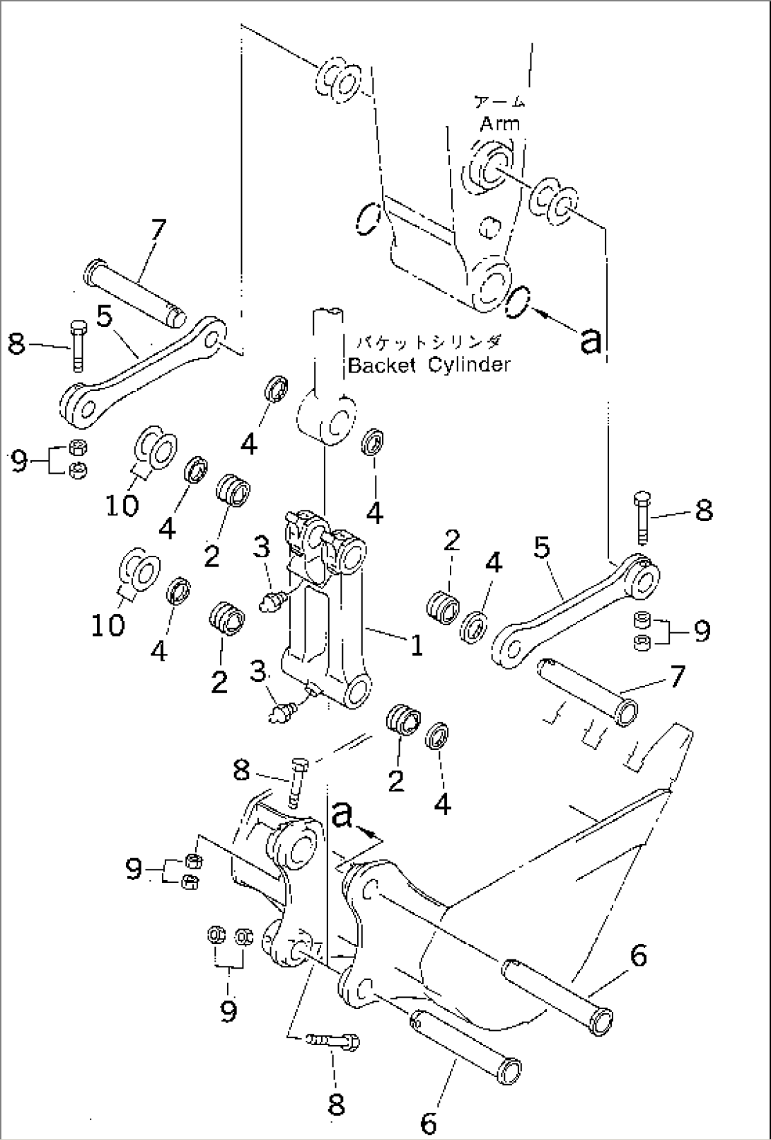
| Item | Part No. | Part Name | Qty | Serial No. |
| 207-70-00120 | LINK ASS'Y | 10001- | ||
| 1 | \6\ | LINK | 10001- | |
| 2 | 207-70-33160 | BUSHING | 10001- | |
| 3 | 07020-00000 | FITTING | 10001- | |
| 4 | 207-70-72120 | SEAL | 10194- | |
| \0\205-70-62180 | SEAL | 10001-10193 | ||
| 5 | 207-70-33120 | LINK | 10001- | |
| 6 | 207-70-61230 | PIN | 10001- | |
| 7 | 207-70-33140 | PIN | 10001- | |
| 8 | 207-70-13340 | BOLT | 10001- | |
| 9 | 01580-12419 | NUT | 10001- | |
| 10 | 207-70-24190 | SPACER¤ 0.8MM | 10001- |
