
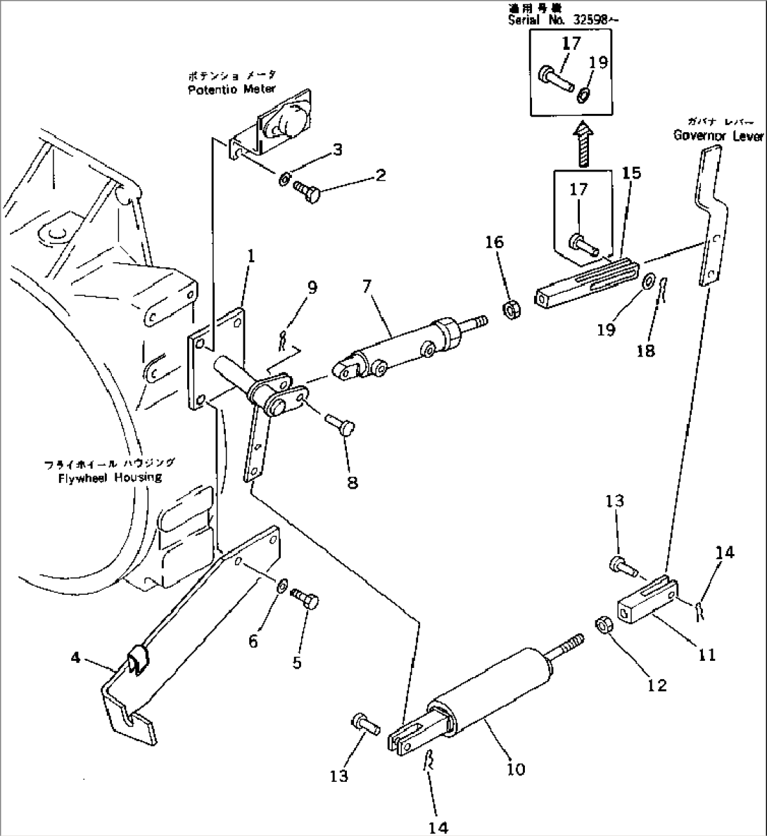
| Item | Part No. | Part Name | Qty | Serial No. |
| 1 | 205-43-74110 | LEVER | 20001- | |
| 2 | 01010-51230 | BOLT | 21708- | |
| 3 | 01643-31232 | WASHER | 20001- | |
| 4 | 205-43-71172 | BRACKET | 21708- | |
| 5 | 01010-51240 | BOLT | 20001- | |
| 6 | 01643-31232 | WASHER | 20001- | |
| 7 | (205-43-74120) | CYLINDER ASS'Y | 20001- | |
| 8 | 04205-31250 | PIN | 21992- | |
| 04205-01250 | PIN | 20001-21991 | ||
| 9 | 04052-01253 | PIN,SNAP | 20001- | |
| 10 | 205-43-74311 | ROD ASS'Y | 21708- | |
| 11 | 04211-21055 | YOKE | 21708- | |
| 12 | 01582-11008 | NUT | 21708- | |
| 13 | 04205-31028 | PIN | 21992- | |
| 04205-11028 | PIN | 20001-21991 | ||
| 14 | 04052-01038 | PIN,SNAP | 20001- | |
| 15 | 205-43-74160 | YOKE | 20001- | |
| 16 | 01582-11411 | NUT | 20001- | |
| 17 | 04205-31032 | PIN | 23058- | |
| 04205-31028 | PIN | 21992-23057 | ||
| 04205-11028 | PIN | 20001-21991 | ||
| 18 | 04052-01038 | PIN,SNAP | 20001- | |
| 19 | 01640-21016 | WASHER | 23058- | |
| 01640-21016 | WASHER | 20001-23057 |
