
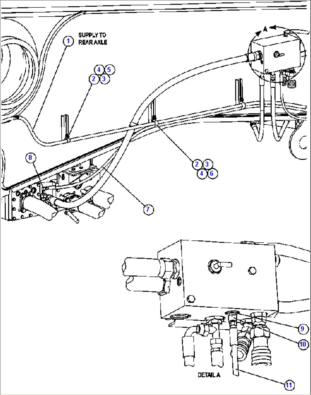
| Item | Part No. | Part Name | Qty | Serial No. |
| 1 | HA7288 | HOSE | ||
| 2 | MM0178 | NUT, M10 X 1.50 | ||
| 3 | MM0471 | LOCKWASHER - M10 | ||
| 4 | MM0713 | FLAT WASHER - M10 (HARDENED) (ZINC) | ||
| 5 | TG2568 | CLAMP, VINYL - 7/8" | ||
| 6 | TR9441 | CLAMP, VINYL - 1 1/4" | ||
| 7 | HA7321 | HOSE | ||
| 8 | WB0374 | FITTING, 37 DEG FLARE, 90 DEG ELBOW | ||
| 9 | WB0586 | FITTING, 37 DEG FLARE, STRAIGHT ADAPTER | ||
| 10 | WB0692 | FITTING, 37 DEG FLARE, STRAIGHT ADAPTER | ||
| 11 | HA7322 | HOSE |
