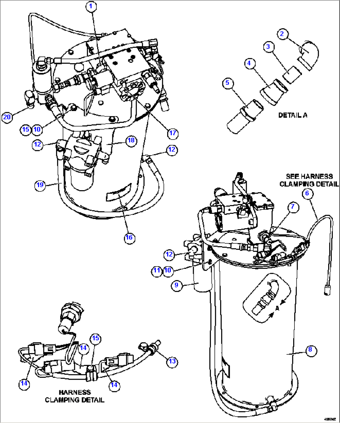
| Item | Part No. | Part Name | Qty | Serial No. |
| 1 | WB0535 | FITTING, ELBOW - 45 DEG | | |
| 2 | F4037 | FITTING, PIPE | | |
| 3 | E2579 | NIPPLE, CLOSE | | |
| 4 | SD5214 | FITTING, PIPE | | |
| 5 | TG9242 | CONNECTOR | | |
| 6 | EM5618 | HARNESS, AUTO LUBE | | |
| 7 | PC2434 | SWITCH, PRESSURE | | |
| 8 | PC2373 | LUBE PUMP/CONTAINER (SEE INDEX) | | |
| 9 | PC0811 | FILTER, HYDRAULIC (SEE INDEX) | | |
| 10 | WA4726 | FLAT WASHER - 3/8" (HARDENED) | | |
| 11 | C1602 | CAPSCREW - 3/8" - 16NC X 1" | | |
| 12 | WB0268 | FITTING, ELBOW - 90 DEG | | |
| 13 | WB3098 | CLAMP, CUSHIONED - 3/8" | | |
| 14 | 08193-20012 | CLIP | | |
| 15 | C1604 | CAPSCREW - 3/8" - 16NC X 1 1/2" | | |
| 16 | | DECAL, WARNING - GREASE FILL | | |
| 17 | WB0499 | FITTING, ELBOW - 90 DEG | | |
| 18 | EJ0966 | BRACKET, MOUNTING | | |
| 19 | HA5843 | HOSE | | |
| 20 | WB0466 | FITTING, STRAIGHT | | |