
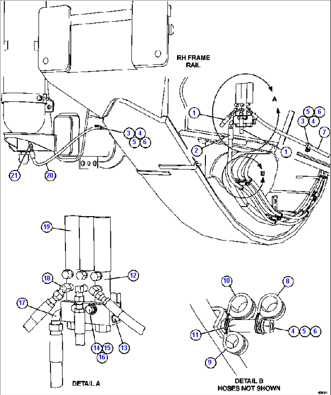
| Item | Part No. | Part Name | Qty | Serial No. |
| 1 | HA8642 | HOSE | ||
| 2 | VW8360 | HOSE | ||
| 3 | WB1300 | CLAMP, CUSHION - 5/8" | ||
| 4 | MM0178 | NUT - M10 X 1.50 | ||
| 5 | MM0471 | LOCKWASHER - M10 | ||
| 6 | MM0461 | FLAT WASHER - M10 | ||
| 7 | HA0570 | HOSE | ||
| 8 | WB3092 | CLAMP, CUSHION - 7/8" | ||
| 9 | WB1303 | CLAMP, CUSHION - 3/4" | ||
| 10 | WB3093 | CLAMP, CUSHION - 1" | ||
| 11 | EM1393 | SPACER | ||
| 12 | TA4410 | INJECTOR | ||
| 13 | C5770 | PLUG, PIPE - 3/8" | ||
| 14 | TD0789 | CAPSCREW - 3/8" - 16NC X 1 3/4" | ||
| 15 | TC1231 | LOCKWASHER - 3/8" | ||
| 16 | TR4436 | FLAT WASHER - 3/8" | ||
| 17 | WB0262 | FITTING, 90 DEGREE ELBOW | ||
| 18 | WB0252 | FITTING, 90 DEGREE ELBOW | ||
| 19 | VW7990 | CAP, PROTECTOR | ||
| 20 | HA8712 | HOSE | ||
| 21 | WB0501 | FITTING, 90 DEGREE ELBOW |
