
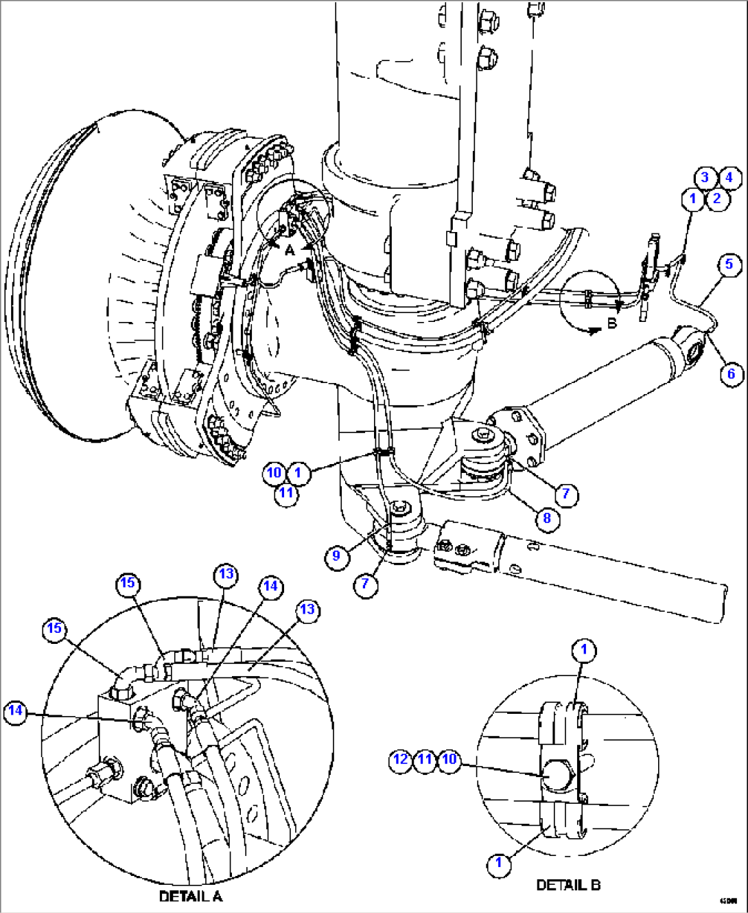
| Item | Part No. | Part Name | Qty | Serial No. |
| 1 | WB1300 | CLAMP, CUSHION - 5/8" | ||
| 2 | MM0178 | NUT - M10 X 1.50 | ||
| 3 | MM0471 | LOCKWASHER - M10 | ||
| 4 | MM0461 | FLAT WASHER - M10 | ||
| 5 | HA0570 | HOSE | ||
| 6 | WB0454 | FITTING, STRAIGHT | ||
| 7 | WB0252 | FITTING, 90 DEGREE ELBOW | ||
| 8 | HA0434 | HOSE | ||
| 9 | VW8099 | HOSE | ||
| 10 | C1521 | NUT - 3/8" - 16NC | ||
| 11 | C0312 | LOCKWASHER - 3/8" | ||
| 12 | C8558 | CAPSCREW - 3/8" - 16NC X 3 1/4" | ||
| 13 | HA8642 | HOSE | ||
| 14 | WB0533 | FITTING, ELBOW - 45 DEG | ||
| 15 | WB0501 | FITTING, 90 DEGREE ELBOW |
