
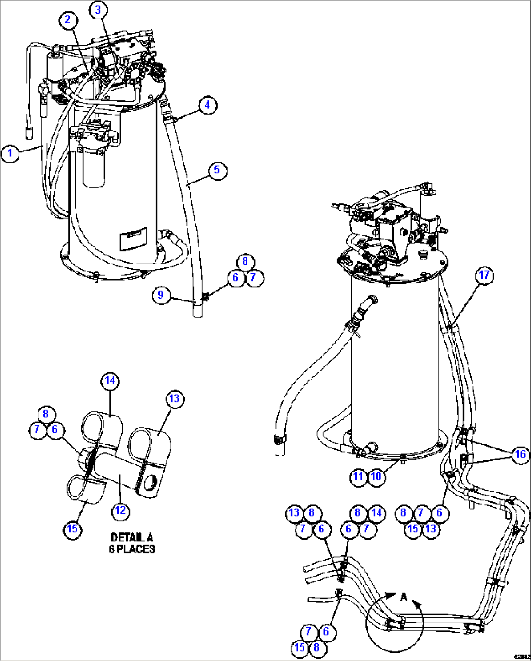
| Item | Part No. | Part Name | Qty | Serial No. |
| 1 | HA8248 | HOSE | ||
| 2 | HA7321 | HOSE | ||
| 3 | HA8445 | HOSE | ||
| 4 | 58F-94-00010 | CLAMP, T-BOLT | ||
| 5 | EJ1518 | HOSE | ||
| 6 | MM0178 | NUT - M10 X 1.50 | ||
| 7 | MM0471 | LOCKWASHER - M10 | ||
| 8 | MM0461 | FLAT WASHER - M10 | ||
| 9 | WB1305 | CLAMP, CUSHIONED - 1 1/2" | ||
| 10 | TG5722 | CAPSCREW - 7/16" - 14NC X 1" | ||
| 11 | TD0795 | LOCKWASHER - 7/16" | ||
| 12 | EK9883 | SPACER | ||
| 13 | WB3855 | CLAMP, CUSHIONED - 13/16" | ||
| 14 | WB1303 | CLAMP, CUSHIONED - 3/4" | ||
| 15 | WB1304 | CLAMP, CUSHIONED - 9/16" | ||
| 16 | TY8375 | SPACER | ||
| 17 | MM0606 | CAPSCREW - M10 X 1.50 X 30 |
