
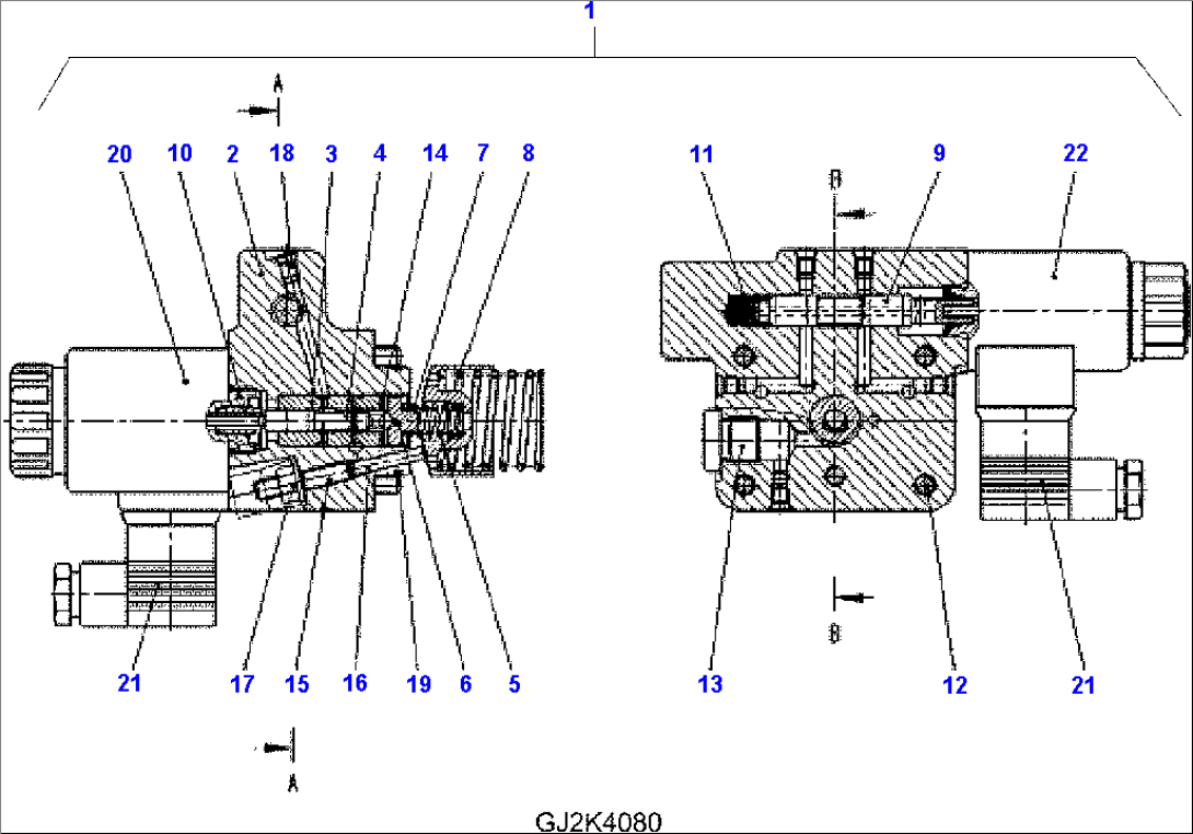
| Item | Part No. | Part Name | Qty | Serial No. |
| 1 | 42U-17-H0R95 | CONTROL | ||
| 2 | 42U-17-H0S15 | TIMING GEAR CASE | ||
| 3 | 42U-17-H0P22 | BUSHING | ||
| 4 | 42U-17-H0P21 | PISTON | ||
| 5 | 42R-17-H0S83 | BUSHING | ||
| 6 | 42R-17-H0R88 | SPRING SEAT | ||
| 7 | 42R-17-H0R89 | COMPRESSION SPRING | ||
| 8 | 42R-17-H0S84 | COMPRESSION SPRING | ||
| 9 | 42R-17-H0R90 | SHUTTLE | ||
| 10 | 42R-17-H0S39 | BUSHING | ||
| 11 | 42R-17-H0R92 | COMPRESSION SPRING | ||
| 12 | 42U-17-H0S16 | SCREW | ||
| 13 | 42U-17-H0R96 | PLUG | ||
| 14 | 42R-17-H0R93 | CIRCLIP | ||
| 15 | 42R-17-H0S42 | GRUB SCREW | ||
| 16 | 42R-17-H0R96 | DOWEL | ||
| 17 | 42R-17-H0R27 | NUT | ||
| 18 | 42R-17-H0R97 | PLUG | ||
| 19 | 42R-17-H0S85 | O-RING | ||
| 20 | 42R-17-H0S44 | MAGNET | ||
| 21 | 42R-17-H0R32 | SOCKET | ||
| 22 | 42U-17-H0R92 | SOLENOID |
