
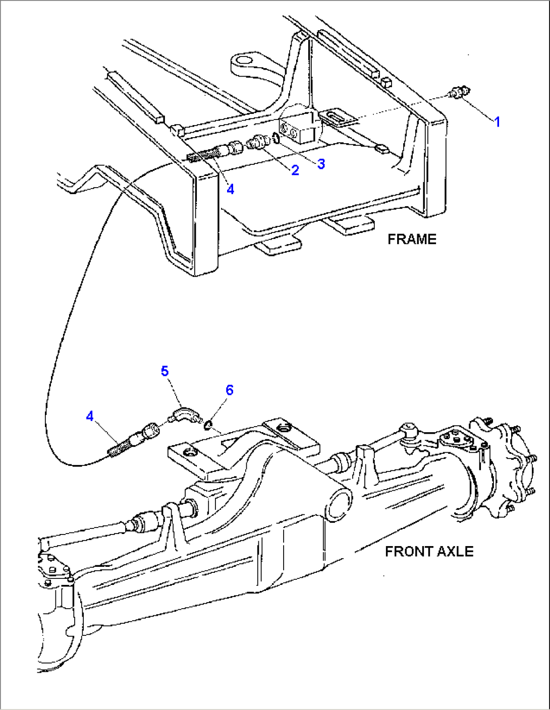
| Item | Part No. | Part Name | Qty | Serial No. |
| 1 | 860010007 | FITTING | 97F20743- | |
| 2 | 500358752 | UNION | 97F20743- | |
| 3 | 855670020 | O-RING | 97F20743- | |
| 4 | 392363045 | PIPE | 97F20743- | |
| 5 | 500355715 | UNION | 97F20743- | |
| 6 | 855051111 | O-RING | 97F20743- |

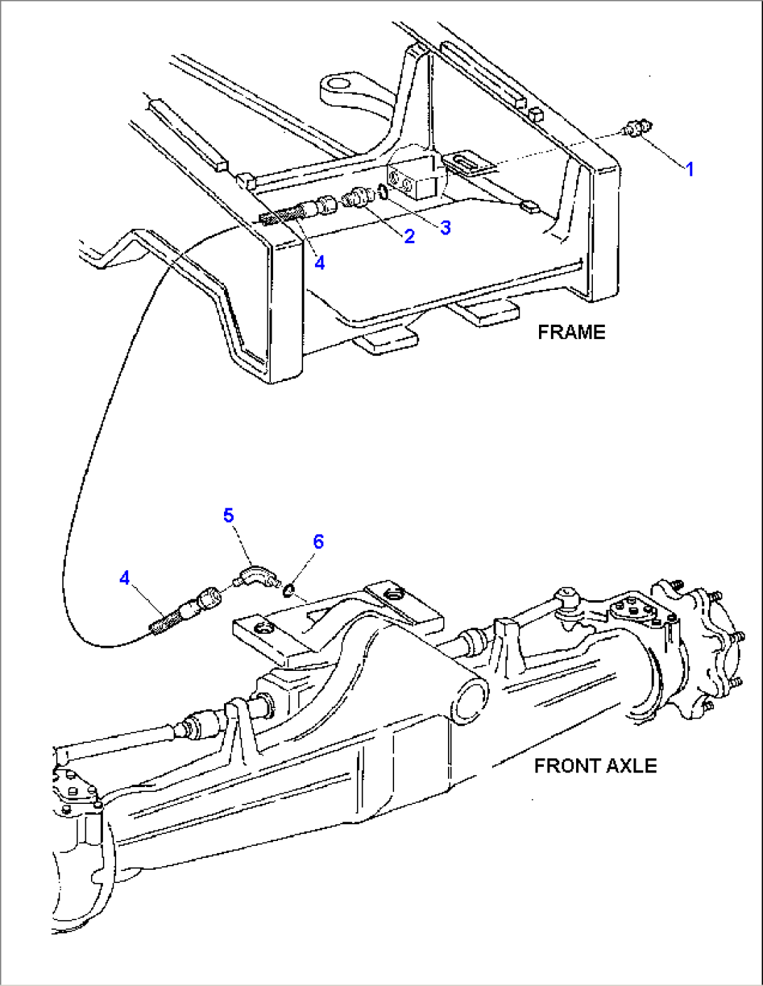
| Item | Part No. | Part Name | Qty | Serial No. |
| 1 | 860010007 | FITTING | 97F20743- | |
| 2 | 500358752 | UNION | 97F20743- | |
| 3 | 855670020 | O-RING | 97F20743- | |
| 4 | 392363045 | PIPE | 97F20743- | |
| 5 | 500355715 | UNION | 97F20743- | |
| 6 | 855051111 | O-RING | 97F20743- |