
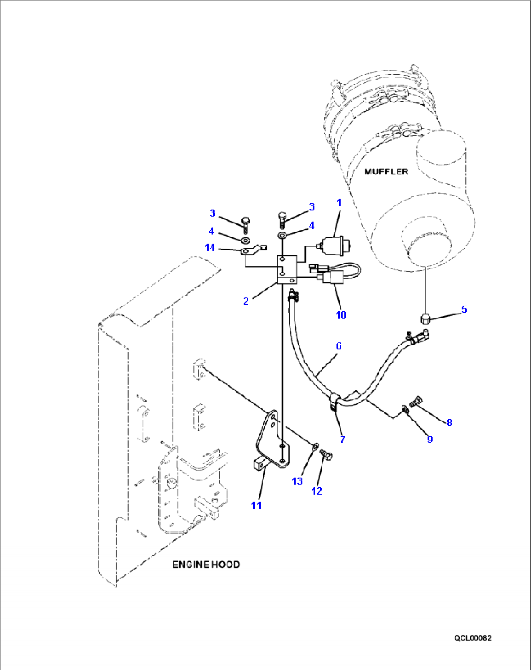
| Item | Part No. | Part Name | Qty | Serial No. |
| 1 | 08672-01000 | INDICATOR, DUST | A35001-- | |
| 2 | 423-06-42720 | BLOCK | A35001-- | |
| 3 | 01010-81045 | BOLT | A35001-- | |
| 4 | 01643-31032 | WASHER | A35001-- | |
| 5 | 6743-81-7530 | ADAPTER | A35001-- | |
| 6 | 08671-50080 | HOSE | A35001-- | |
| 7 | 04434-51412 | CLIP | A35001-- | |
| 8 | 01010-81020 | BOLT | A35001-- | |
| 9 | 01643-31032 | WASHER | A35001-- | |
| 10 | 600-815-8860 | INDICATOR | A35001-- | |
| 11 | 419-06-48490 | BRACKET | A35001-- | |
| 12 | 01010-81025 | BOLT | A35001-- | |
| 13 | 01643-31032 | WASHER | A35001-- | |
| 14 | 08193-21012 | CLIP | A35001-- |
