
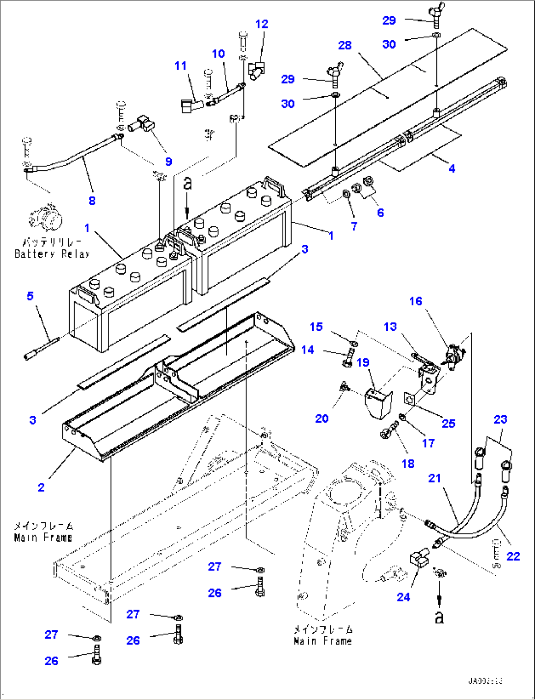
| Item | Part No. | Part Name | Qty | Serial No. |
| 1 | 08000-32215 | Battery, Wet, 145F51 | 80059-@ | |
| 1 | 08000-00000 | Terminal, (+) | 80059-@ | |
| 1 | 08000-00001 | Terminal, (-) | 80059-@ | |
| 2 | 14X-06-52111 | Bracket | 80059-80949 | |
| 3 | 08007-23549 | Cushion, Battery | 80059-80949 | |
| 4 | 14X-06-52121 | Holder | 80059-80949 | |
| 5 | 08006-40255 | Rod | 80059-80949 | |
| 6 | 01580-11008 | Nut | 80059-@ | |
| 7 | 01643-31032 | Washer | 80059-@ | |
| 8 | 08028-GD045 | Cable, Ground | 80059-@ | |
| 9 | 14X-06-12280 | Cover | 80059-@ | |
| 10 | 08028-64020 | Cable, Battery | 80059-@ | |
| 11 | 14X-06-12280 | Cover | 80059-@ | |
| 12 | 21J-06-11570 | Cover | 80059-@ | |
| 13 | 14X-06-52960 | Bracket | 80059-@ | |
| 14 | 01010-81025 | Bolt | 80059-@ | |
| 15 | 01643-31032 | Washer | 80059-@ | |
| 16 | 08068-00001 | Switch, Battery | 80059-@ | |
| 17 | 01643-30823 | Washer | 80059-@ | |
| 18 | 01252-70825 | Bolt, Hexagon Socket Head | 80059-@ | |
| 19 | 14X-06-52840 | Cover | 80059-@ | |
| 20 | 20T-54-74510 | Cap | 80059-@ | |
| 21 | 08028-ED040 | Cable, Ground | 80059-@ | |
| 22 | 14X-06-52830 | Cable | 80059-@ | |
| 23 | 08038-00035 | Cap, Terminal | 80059-@ | |
| 24 | 14X-06-12270 | Cover | 80059-@ | |
| 25 | 09697-00001 | Plate, Battery Disconnect Switch | 80059-@ | |
| 26 | 01010-81225 | Bolt | 80059-@ | |
| 27 | 01643-31232 | Washer | 80059-@ | |
| 28 | 14X-06-52470 | Sheet | 80059-80949 | |
| 29 | 01434-00820 | Bolt, Wing | 80059-@ | |
| 30 | 113-43-23230 | Washer | 80059-@ |
