
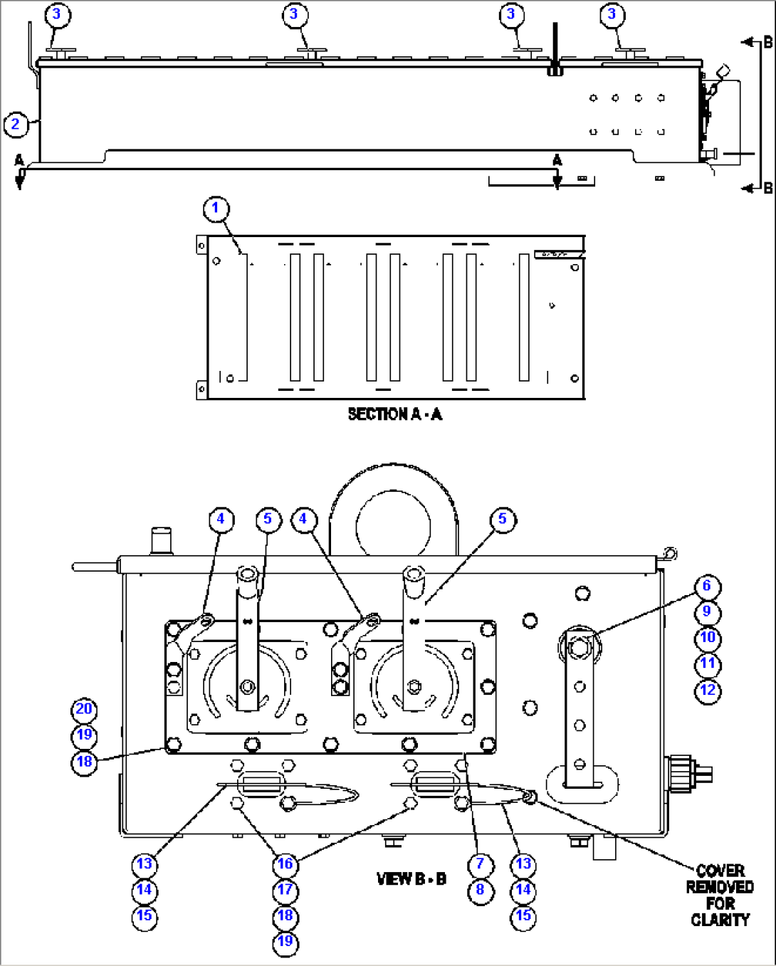
| Item | Part No. | Part Name | Qty | Serial No. |
| 1 | EG9126 | STRIP, RUBBER | ||
| 2 | EM2060 | BOX, BATTERY | ||
| 3 | PC1081 | LATCH | ||
| 4 | EK9945 | PLATE, BENT | ||
| 5 | EC1725 | SWITCH, BATTERY DISCONNECT | ||
| 6 | EL3820 | BUS BAR | ||
| 7 | EL3998 | PLATE | ||
| 8 | EL3997 | GASKET | ||
| 9 | PC0291 | INSULATOR | ||
| 10 | TR5445 | LOCKWASHER - 1/2" | ||
| 11 | TR6008 | FLAT WASHER - 1/2" | ||
| 12 | VC1387 | CAPSCREW - 1/2" - 13NC X 1" | ||
| 13 | PB5993 | COVER ASSEMBLY | ||
| 14 | EJ7781 | GASKET | ||
| 15 | PB9112 | RECEPTACLE ASSEMBLY | ||
| 16 | MM0596 | CAPSCREW - M8 X 1.25 X 35 | ||
| 17 | MM0177 | NUT - M8 X 1.25 | ||
| 18 | MM0470 | LOCKWASHER - M8 | ||
| 19 | MM0460 | FLAT WASHER - M8 | ||
| 20 | MM0594 | CAPSCREW - M8 X 1.25 X 25 |
