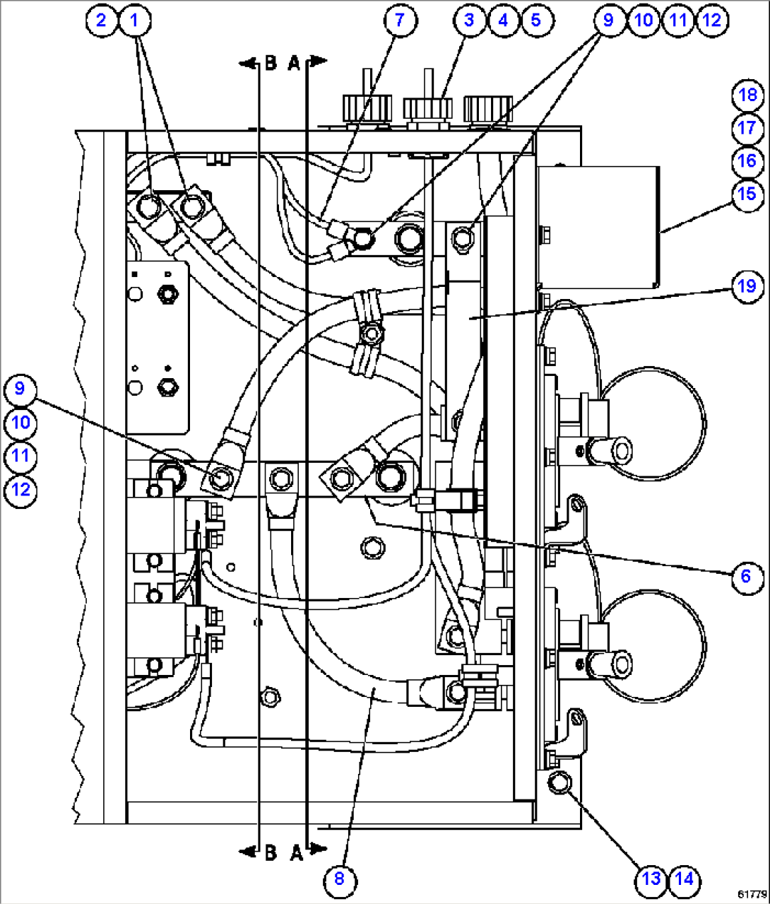
| Item | Part No. | Part Name | Qty | Serial No. |
| 1 | MM0604 | CAPSCREW - M10 X 1.50 X 20 | | |
| 2 | MM0713 | FLAT WASHER - M10 (HARDENED) | | |
| 3 | VZ1369 | LOCKNUT, CONDULET - 1" | | |
| 4 | VZ3028 | GRIP, CORD | | |
| 5 | VM3655 | BUSHING, CONDULET - 1" | | |
| 6 | EM2054 | BUS BAR | | |
| 7 | XB5599 | HARNESS, BATTERY BOX | | |
| 8 | CH3885 | CABLE, BATTERY - RED | | |
| 9 | TD0791 | CAPSCREW - 3/8" - 16NC X 1 1/4" | | |
| 10 | TC1231 | LOCKWASHER - 3/8" | | |
| 11 | TR4436 | FLAT WASHER - 3/8" | | |
| 12 | TC1233 | NUT - 3/8" - 16NC | | |
| 13 | MM0619 | CAPSCREW - M12 X 1.75 X 35 | | |
| 14 | MM0462 | FLAT WASHER - M12 | | |
| 15 | EL7794 | COVER | | |
| 16 | MM0594 | CAPSCREW - M8 X 1.25 X 25 | | |
| 17 | MM0470 | LOCKWASHER - M8 | | |
| 18 | MM0460 | FLAT WASHER - M8 | | |
| 19 | EL3821 | BUS BAR | | |
| 19 | | (FOR VIEWS A-A & B-B, SEE THE FOLLOWING PAGE.) | | |