
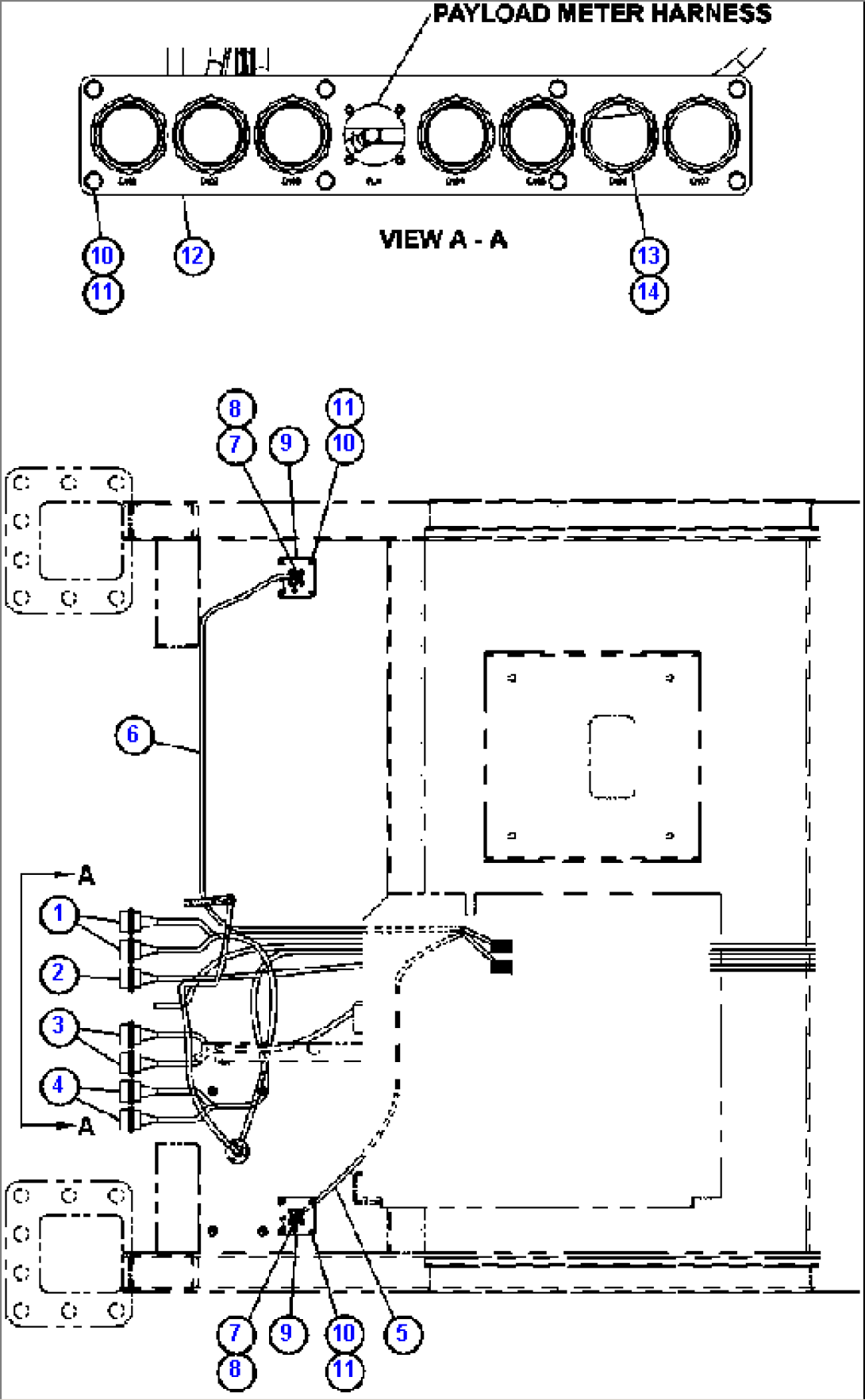
| Item | Part No. | Part Name | Qty | Serial No. | 
| 1 | EL5158 | HARNESS, ENGINE/CAB DIAGNOSTIC | ||
| 2 | EJ9239 | HARNESS, CAB G.E. SIGNAL | ||
| 3 | EL5156 | HARNESS, CAB DASH | ||
| 4 | EJ9241 | HARNESS, CAB OVERHEAD | ||
| 5 | SM3152 | HARNESS, WINDOW - R.H. | ||
| 6 | SM3151 | HARNESS, WINDOW - L.H. | ||
| 7 | SM2117 | PLATE, NUT CONNECTOR | ||
| 8 | SM0721 | GASKET | ||
| 9 | SM2192 | PLATE, HARNESS MOUNTING | ||
| 10 | MM0027 | CAPSCREW - M6 X 1.00 X 25 | ||
| 11 | MM0469 | LOCKWASHER - M6 | ||
| 12 | EJ7350 | PLATE, CONNECTOR (CAB REAR) | ||
| 13 | PB5373 | LOCKWASHER | ||
| 14 | PB5371 | NUT | 
