
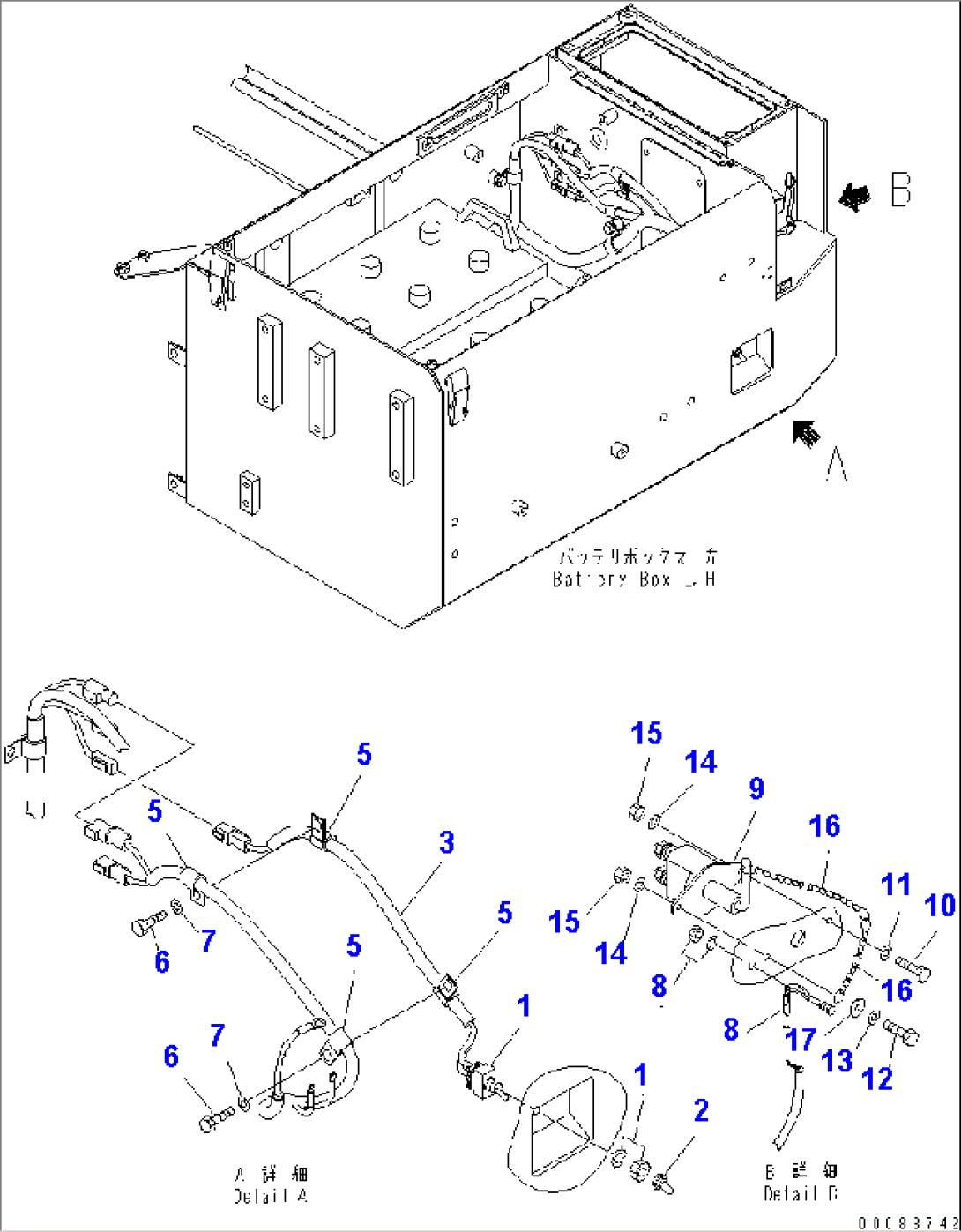
| Item | Part No. | Part Name | Qty | Serial No. |
| 1 | 23S-05-25221 | SWITCH | 70028- | |
| 2 | 08504-10000 | CAP | 70028- | |
| 3 | 427-06-25381 | WIRING HARNESS | 70028- | |
| 5 | 04434-51410 | CLIP | 70028- | |
| 6 | 01010-81020 | BOLT | 70028- | |
| 7 | 01643-31032 | WASHER | 70028- | |
| 8 | 22T-05-15630 | DIODE | 70028- | |
| 9 | 426-06-33570 | SWITCH | 70028- | |
| 10 | 01010-D0620 | BOLT | 70028- | |
| 11 | 01643-70623 | WASHER | 70028- | |
| 12 | 01010-D0625 | BOLT | 70028- | |
| 13 | 01643-70623 | WASHER | 70028- | |
| 14 | 01643-30623 | WASHER | 70028- | |
| 15 | 01580-10605 | NUT | 70028- | |
| 16 | 565-44-11460 | CHAIN | 70028- | |
| 17 | 22W-70-16120 | WASHER | 70028- |
