
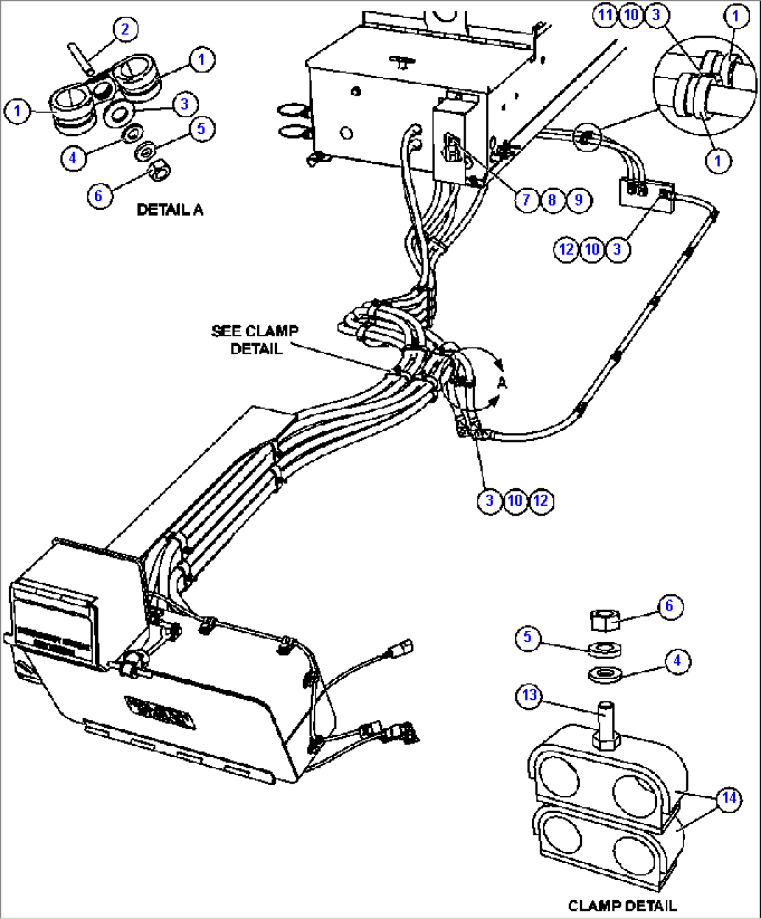
| Item | Part No. | Part Name | Qty | Serial No. |
| 1 | WB1303 | CLAMP, CUSHIONED - 3/4" | ||
| 2 | EM3364 | ROD, THREADED - M6 X 1.00 X 50 | ||
| 3 | MM0461 | FLAT WASHER - M10 | ||
| 4 | MM0459 | FLAT WASHER - M6 | ||
| 5 | MM0469 | LOCKWASHER - M6 | ||
| 6 | MM0176 | NUT - M6 X 1.00 | ||
| 7 | MM0618 | CAPSCREW - M12 X 1.75 X 30 | ||
| 8 | MM0472 | LOCKWASHER - M12 | ||
| 9 | MM0714 | FLAT WASHER - M12 | ||
| 10 | MM0471 | LOCKWASHER - M10 | ||
| 11 | MM0178 | NUT - M10 X 1.50 | ||
| 12 | MM0603 | CAPSCREW - M10 X 1.50 X 16 | ||
| 13 | EL1939 | ROD, THREADED - M6 X 1.00 X 75 | ||
| 13 | EM3364 | ROD, THREADED - M6 X 1.00 X 50 | ||
| 14 | EJ3891 | CLAMP ASSEMBLY |
