
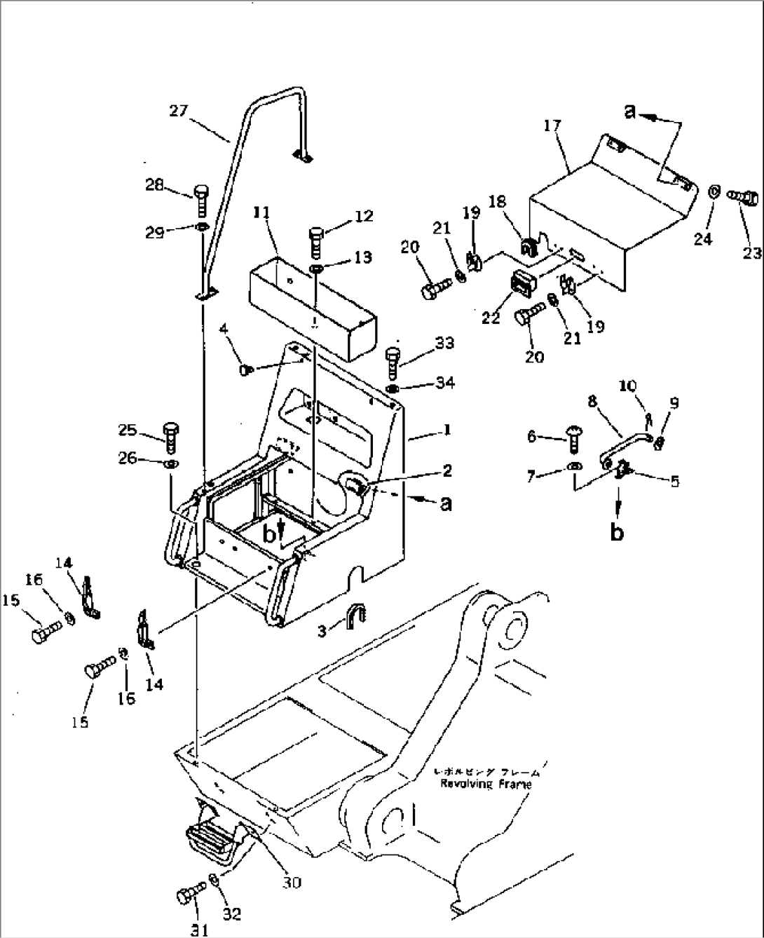
| Item | Part No. | Part Name | Qty | Serial No. |
| 1 | 209-54-53712 | COVER | 10711- | |
| 209-54-53711 | COVER | 10501-10710 | ||
| 2 | 205-46-63360 | HINGE (WELDED) | 10501- | |
| 3 | 208-54-12740 | SEAL | 10501- | |
| 4 | 203-54-32260 | STOPPER | 10501- | |
| 5 | 20B-54-12210 | SPRING | 10501- | |
| 6 | 01220-40408 | SCREW | 10501- | |
| 7 | 01641-20405 | WASHER | 10501- | |
| 8 | 207-54-31830 | BAR | 10501- | |
| 9 | 01643-31032 | WASHER | 10501- | |
| 10 | 04050-13018 | PIN,COTTER | 10501- | |
| 11 | 209-54-53730 | CASE | 10501- | |
| 12 | 01010-51230 | BOLT | 10501- | |
| 13 | 01643-31232 | WASHER | 10501- | |
| 14 | 205-54-76530 | CATCHER | 10501- | |
| 15 | 01010-50825 | BOLT | 10501- | |
| 16 | 01643-30823 | WASHER | 10501- | |
| 17 | 209-54-53721 | COVER | 10501- | |
| 18 | 208-54-12730 | SEAL | 10501- | |
| 19 | 205-54-67660 | SUPPORT | 10501- | |
| 20 | 01010-50825 | BOLT | 10501- | |
| 21 | 01643-30823 | WASHER | 10501- | |
| 22 | 209-54-12280 | HANDLE | 10501- | |
| 23 | 01010-51030 | BOLT | 10501- | |
| 24 | 01643-31032 | WASHER | 10501- | |
| 25 | 01010-51230 | BOLT | 10501- | |
| 26 | 01643-31232 | WASHER | 10501- | |
| 27 | 209-54-53641 | HANDRAIL | 10501- | |
| 28 | 01010-51230 | BOLT | 10501- | |
| 29 | 01643-31232 | WASHER | 10556- | |
| 175-54-34170 | WASHER | 10501-10555 | ||
| 30 | 209-54-53651 | BRACKET | 10501- | |
| 31 | 01010-51230 | BOLT | 10501- | |
| 32 | 01643-31232 | WASHER | 10501- | |
| 33 | 01010-51230 | BOLT | 10501- | |
| 34 | 01643-31232 | WASHER | 10501- |
