
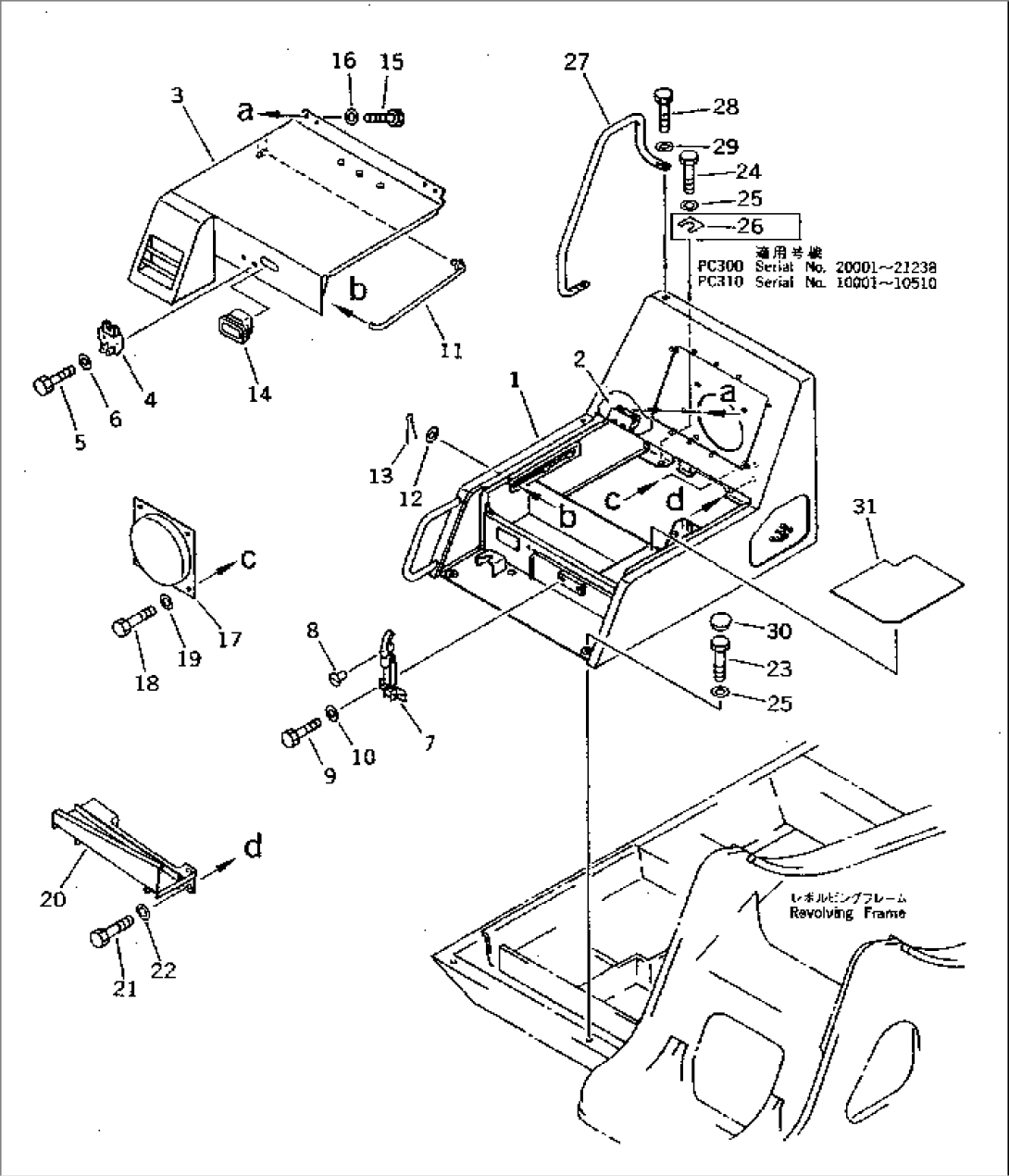
| Item | Part No. | Part Name | Qty | Serial No. |
| G-1 | (\8\207-979-X120) | BATTERY CASE GROUP | 20001-22629 | |
| ==================== | ||||
| 1 | 207-54-52720 | COVER | 20910-22629 | |
| 207-979-5240 | COVER | 20001-20909 | ||
| 2 | 20Y-54-12650 | HINGE (WELDED) | 20001-@ | |
| 3 | 207-979-5250 | COVER | 20001-22629 | |
| 4 | 205-54-67660 | SUPPORT | 20001-@ | |
| 5 | 01010-50820 | BOLT | 20001-@ | |
| 6 | 01643-30823 | WASHER | 20001-@ | |
| 7 | 205-54-76260 | CATCHER | 20001-@ | |
| 8 | 205-54-76280 | ROTOR ASS'Y | 20001-@ | |
| 9 | 01010-50820 | BOLT | 20001-@ | |
| 10 | 01643-30823 | WASHER | 20001-@ | |
| 11 | 207-979-5270 | HANDLE | 20001-22629 | |
| 12 | 01643-31032 | WASHER | 20001-@ | |
| 13 | 04050-13018 | PIN,COTTER | 20001-@ | |
| 14 | 209-54-12280 | HANDLE | 20001-@ | |
| 15 | 01010-51025 | BOLT | 20010-@ | |
| 01010-51030 | BOLT | 20001-20009 | ||
| 16 | 175-54-34170 | WASHER | 22593-@ | |
| 175-43-41160 | WASHER | 20010-22592 | ||
| 01643-31032 | WASHER | 20001-20009 | ||
| 17 | 207-54-52472 | COVER | 20001-@ | |
| 18 | 01010-51220 | BOLT | 20001-@ | |
| 19 | 01643-31232 | WASHER | 20001-@ | |
| 20 | 207-978-5220 | COVER | 20001-@ | |
| 21 | 01010-51225 | BOLT | 20001-@ | |
| 22 | 01643-31232 | WASHER | 20001-@ | |
| ==================== | ||||
| 23 | 01010-51230 | BOLT | 20001-@ | |
| 24 | 01010-51245 | BOLT | 20001-@ | |
| 25 | 01643-31232 | WASHER | 20001-@ | |
| 26 | 20Y-54-18190 | PLATE | 20001-21238 | |
| 27 | 20Y-54-12660 | HAND RAIL | 20001-@ | |
| 28 | 01010-51230 | BOLT | 20001-@ | |
| 29 | 01643-31232 | WASHER | 20001-@ | |
| 30 | 198-54-41941 | CAP | 20001-@ | |
| 31 | 207-54-52350 | SHEET | 20001-@ |
