
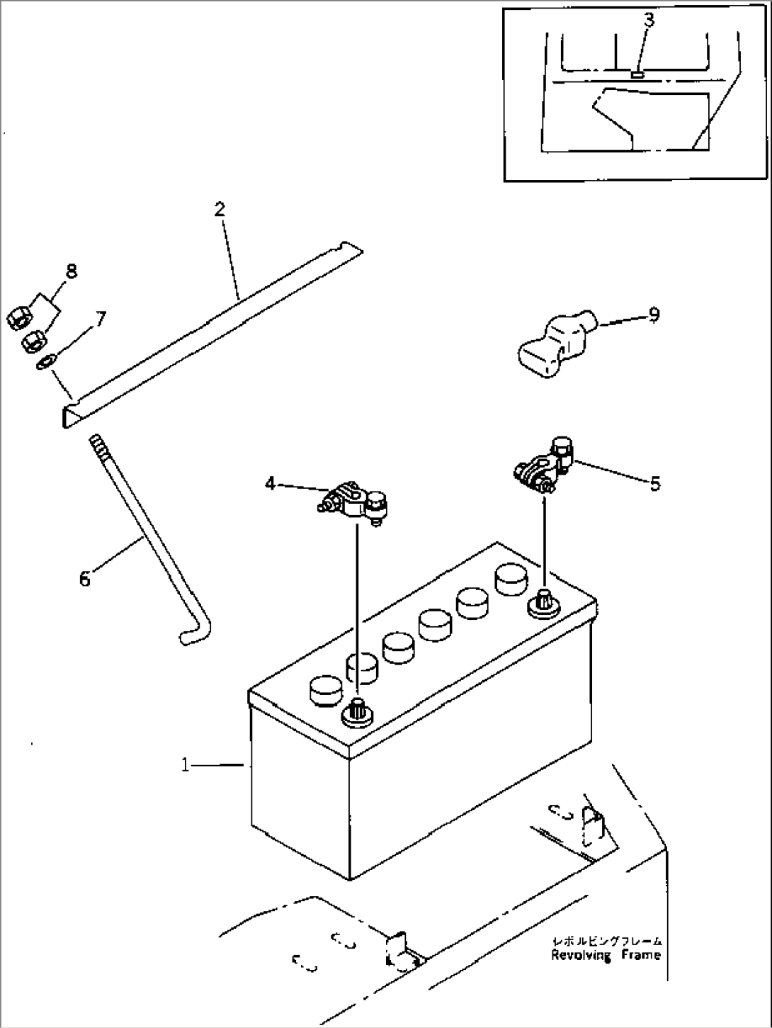
| Item | Part No. | Part Name | Qty | Serial No. |
| G-1 | (\8\20S-06-X1000) | BATTERY GROUP | 10001- | |
| ==================== | ||||
| 1 | 20T-06-21130 | BATTERY, 12V 110AH | 10001- | |
| ==================== | ||||
| 2 | 20S-06-21710 | HOLDER | 10001- | |
| 3 | 6130-80-9910 | PLATE | 10001- | |
| 4 | 08000-00000 | TERMINAL, (+) | 10001- | |
| 5 | 08000-00001 | TERMINAL, (-) | 10001- | |
| 6 | 20S-06-21570 | ROD | 10001- | |
| 7 | 01641-20812 | WASHER | 10001- | |
| 8 | 01580-10806 | NUT | 10001- | |
| 9 | 08038-22009 | CAP | 10001- |
