
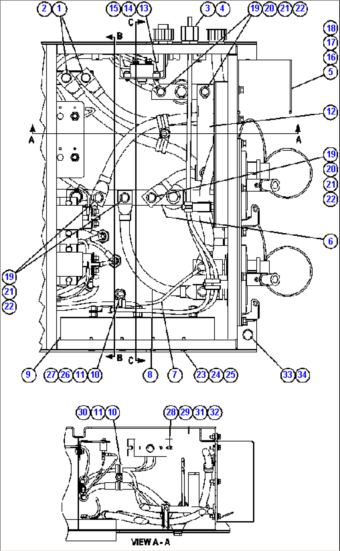
| Item | Part No. | Part Name | Qty | Serial No. |
| 1 | MM0604 | CAPSCREW - M10 X 1.50 X 20 | ||
| 2 | MM0713 | FLAT WASHER - M10 (HARDENED) | ||
| 3 | VZ1369 | LOCKNUT, CONDULET - 1" | ||
| 4 | VZ3028 | GRIP, CORD | ||
| 5 | EL7794 | COVER | ||
| 6 | EM2054 | BUS BAR | ||
| 7 | EM4323 | HARNESS | ||
| 8 | CH3885 | CABLE, BATTERY - RED | ||
| 9 | PC0938 | DIODE, SCHOTTKY (BATTERY ISOLATOR) | ||
| 10 | MM0178 | NUT - M10 X 1.50 | ||
| 11 | MM0461 | FLAT WASHER - M10 | ||
| 12 | EL3821 | BUS BAR | ||
| 13 | TR4977 | MACHINE SCREW - #10 - 32NC X 3/4" | ||
| 14 | SD4245 | LOCKWASHER - #10 (EXTERNAL TOOTH) | ||
| 15 | PB8460 | CIRCUIT BREAKER | ||
| 16 | MM0470 | LOCKWASHER - M8 | ||
| 17 | MM0460 | FLAT WASHER - M8 | ||
| 18 | MM0594 | CAPSCREW - M8 X 1.25 X 25 | ||
| 19 | TC1231 | LOCKWASHER - 3/8" | ||
| 20 | TC1233 | NUT - 3/8" - 16NC | ||
| 21 | TD0791 | CAPSCREW - 3/8" - 16NC X 1 1/4" | ||
| 22 | TR4436 | FLAT WASHER - 3/8" | ||
| 23 | MM0206 | LOCKWASHER - M5 | ||
| 24 | MM0373 | NUT - M5 X .8 | ||
| 25 | MM0379 | LOCKWASHER - M5 (EXTERNAL TOOTH) | ||
| 26 | TY8375 | SPACER | ||
| 27 | WB1302 | CLAMP, CUSHIONED - 5/16" | ||
| 28 | MM0459 | FLAT WASHER - M6 | ||
| 29 | MM0176 | NUT - M6 X 1.00 | ||
| 30 | WB1301 | CLAMP, CUSHIONED - 1/4" | ||
| 31 | ED4418 | BRACKET | ||
| 32 | MM0469 | LOCKWASHER - M6 | ||
| 33 | MM0619 | CAPSCREW - M12 X 1.75 X 35 | ||
| 34 | MM0462 | FLAT WASHER - M12 | ||
| 34 | (FOR VIEWS B-B & C-C, SEE THE FOLLOWING PAGE.) |
