
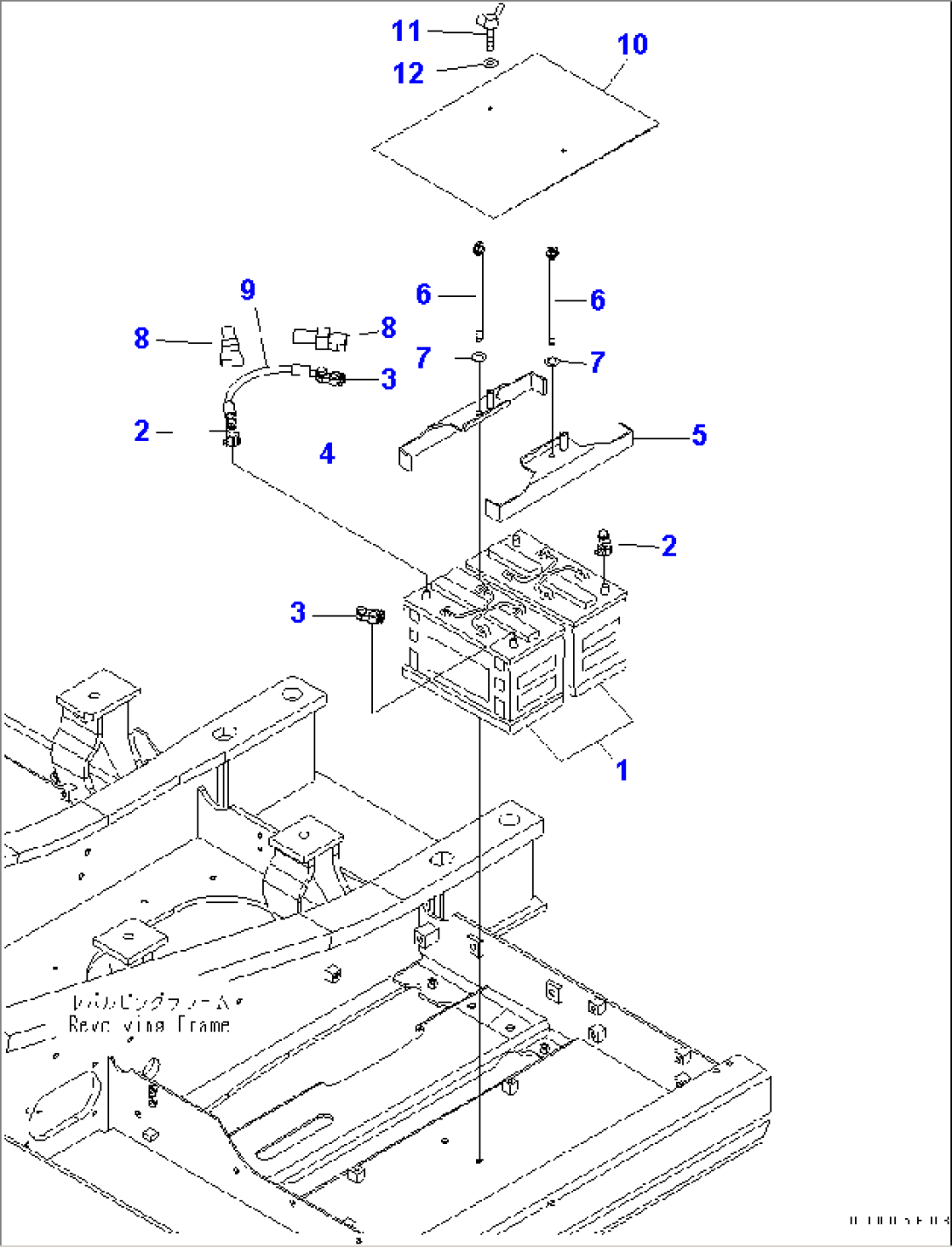
| Item | Part No. | Part Name | Qty | Serial No. |
| 1 | 20E-06-K1680 | BATTERY | K45001- | |
| 20E-06-K1720 | BATTERY | K45001- | ||
| 2 | 08000-00000 | TERMINAL¤ (+) | K45001- | |
| 3 | 08000-00001 | TERMINAL¤ (-) | K45001- | |
| 4 | 21K-06-71350 | HOLDER | K45001- | |
| 5 | 21K-06-71360 | HOLDER | K45001- | |
| 6 | 207-06-11370 | BOLT | K45001- | |
| 7 | 01643-31232 | WASHER | K45001- | |
| 8 | 08038-42511 | CAP | K45001- | |
| 9 | 08028-62035 | CABLE | K45001- | |
| 10 | 21K-06-71150 | COVER | K45001- | |
| 11 | 01434-00820 | BOLT¤ WING | K45001- | |
| 12 | 01643-30823 | WASHER | K45001- |
