
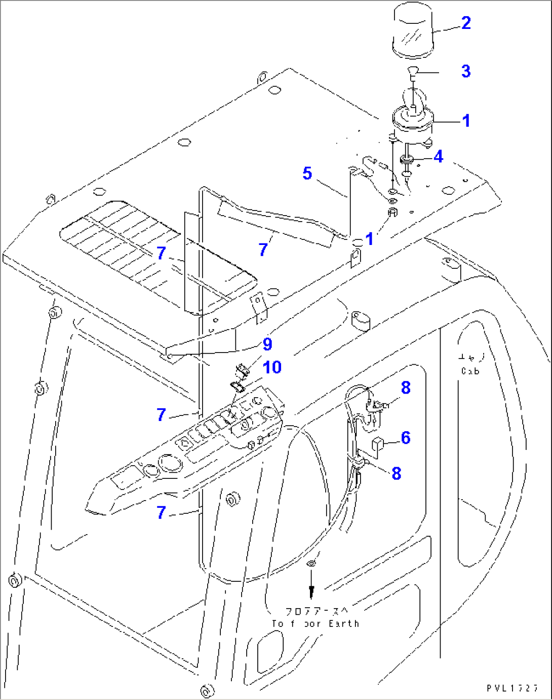
| Item | Part No. | Part Name | Qty | Serial No. |
| 1 | 08154-12400 | LAMP ASS'Y | 10001- | |
| 2 | 08154-10003 | GLOBE | 10001- | |
| 3 | 08103-02460 | BULB¤ 35W | 10001- | |
| 4 | 08037-02512 | GROMMET | 10001- | |
| 5 | 209-06-71340 | WIRING HARNESS | 10001- | |
| 6 | 569-06-61960 | RELAY | 10001- | |
| 7 | 20Y-54-13440 | CLIP | 10001- | |
| 8 | 08034-00536 | BAND | 10001- | |
| 9 | 20Y-06-29670 | SWITCH | 10001- | |
| 10 | 201-54-73190 | SPACER | 10001- |
