
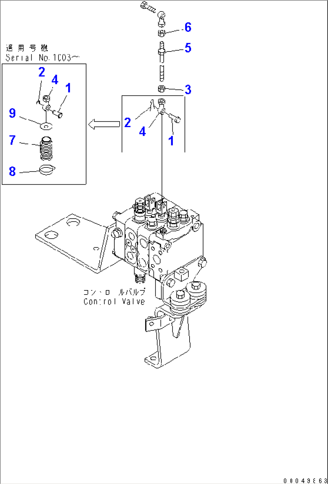
| Item | Part No. | Part Name | Qty | Serial No. |
| 1 | 124-43-64120 | PIN | 1003- | |
| 1 | 124-43-54390 | PIN | 1001-1002 | |
| 2 | 124-43-64131 | RING | 1003- | |
| 2 | 04050-12015 | PIN,COTTER | 1001-1002 | |
| 3 | 01508-40805 | NUT | 1001- | |
| 4 | 04250-90847 | END | 1001- | |
| 5 | 04248-30823 | ROD | 1001- | |
| 6 | 01580-10806 | NUT | 1001- | |
| 7 | 124-43-64112 | BOOT | 1003- | |
| 8 | 08034-00414 | BAND | 1003- | |
| 9 | 205-06-64680 | WASHER | 1003- |
