
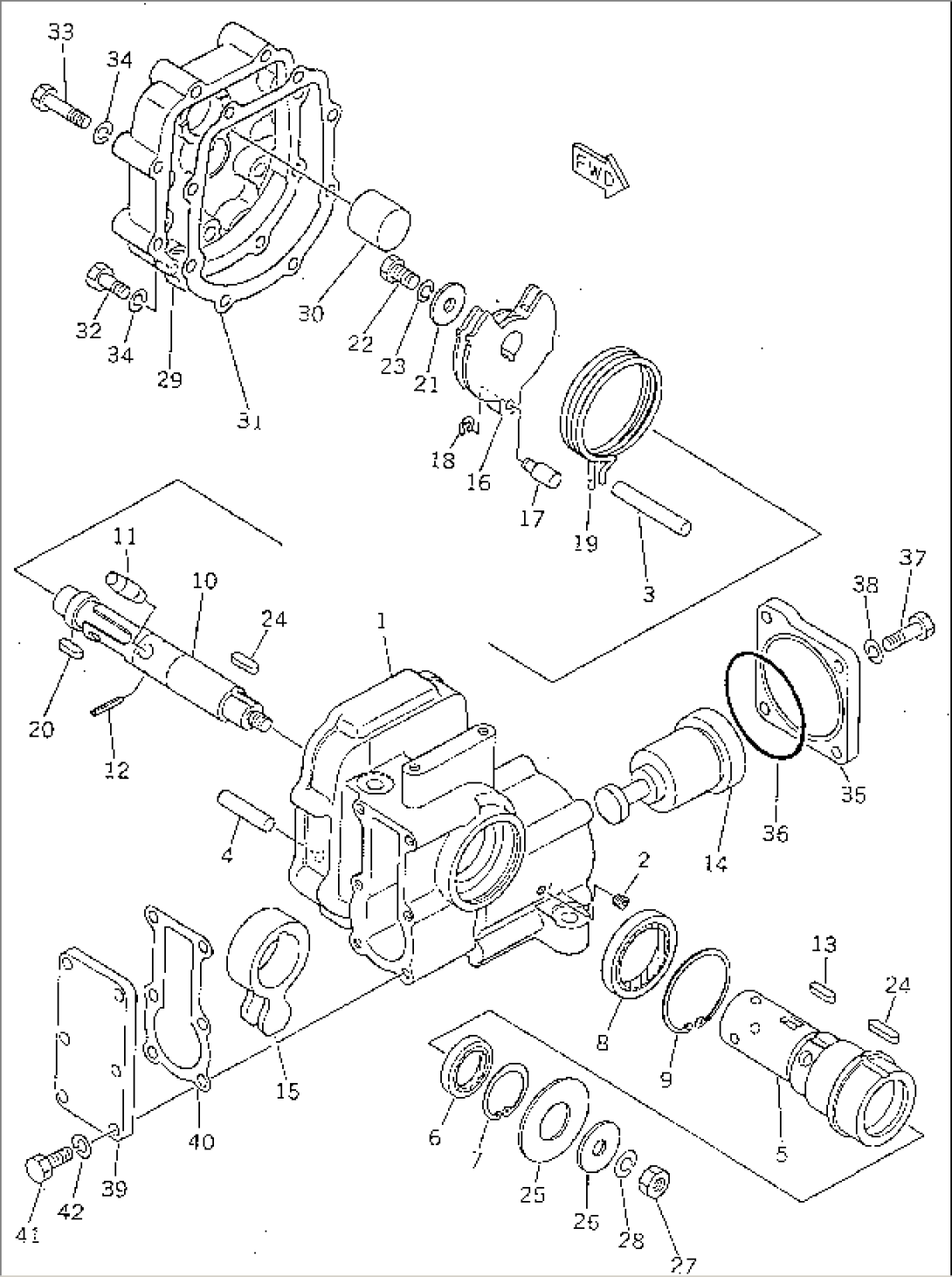
| Item | Part No. | Part Name | Qty | Serial No. |
| 702-12-14001 | SERVO VALVE ASS'Y | 52126- | ||
| \0\702-12-14000 | SERVO VALVE ASS'Y | 50001-52125 | ||
| 1 | 702-12-13110 | HOUSING | 50001- | |
| 2 | 07043-00108 | PLUG | 50001- | |
| 3 | 702-12-12140 | PIN | 50001- | |
| 4 | 702-12-12150 | PIN | 50001- | |
| 5 | \6\ | SLEEVE | 50001- | |
| 6 | 702-12-12390 | SEAL,OIL | 50001- | |
| 7 | 04065-04018 | RING,SNAP | 50001- | |
| 8 | 702-12-12410 | SEAL,OIL | 50001- | |
| 9 | 04065-06020 | RING,SNAP | 50001- | |
| 10 | \6\ | ROTOR | 50001- | |
| 11 | 702-12-12180 | PIN | 50001- | |
| 12 | 04025-00316 | PIN,SPRING | 50001- | |
| 13 | 04000-00520 | KEY | 50001- | |
| 14 | \6\ | PISTON | 50001- | |
| 15 | 702-12-12210 | LEVER | 50001- | |
| 16 | 702-12-12220 | DETENT | 50001- | |
| 17 | 702-12-12230 | PIN | 50001- | |
| 18 | 702-12-12240 | RING,SNAP | 50001- | |
| 19 | 702-12-12251 | SPRING | 50001- | |
| 20 | 04000-00515 | KEY | 50001- | |
| 21 | 702-12-12420 | WASHER | 50001- | |
| 22 | 01010-80816 | BOLT | 50001- | |
| 23 | 01602-20825 | WASHER,SPRING | 50001- | |
| 24 | 04000-00520 | KEY | 50001- | |
| 25 | 702-12-12280 | WASHER | 50001- | |
| 26 | 702-12-12270 | WASHER | 50001- | |
| 27 | 01580-11008 | NUT | 50001- | |
| 28 | 01602-21030 | WASHER,SPRING | 50001- | |
| 29 | 702-12-13220 | COVER | 50001- | |
| 30 | 702-12-13210 | PIN | 50001- | |
| 31 | 702-12-13141 | GASKET | 52126- | |
| 702-12-13140 | GASKET | 50001-52125 | ||
| 32 | 01010-80835 | BOLT | 50001- | |
| 33 | 01010-80845 | BOLT | 50001- | |
| 34 | 01602-20825 | WASHER,SPRING | 50001- | |
| 35 | 702-12-13160 | COVER | 50001- | |
| 36 | 07000-22070 | O-RING | 50001- | |
| 37 | 01010-80825 | BOLT | 50001- | |
| 38 | 01602-20825 | WASHER,SPRING | 50001- | |
| 39 | 702-12-13130 | COVER | 50001- | |
| 40 | 702-12-13151 | GASKET | 52126- | |
| 702-12-13150 | GASKET | 50001-52125 | ||
| 41 | 01010-80825 | BOLT | 50001- | |
| 42 | 01602-20825 | WASHER,SPRING | 50001- |
