
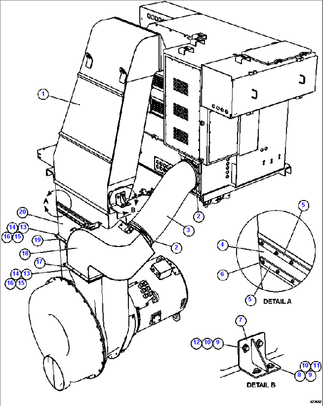
| Item | Part No. | Part Name | Qty | Serial No. |
| 1 | EM3458 | DUCT | ||
| 2 | WB1190 | CLAMP, T-BOLT | ||
| 3 | EL0567 | HOSE | ||
| 4 | XB1494 | BOOT | ||
| 5 | EJ9279 | BAR | ||
| 6 | WA4497 | SCREW | ||
| 7 | EJ9295 | BRACKET | ||
| 8 | MM0622 | CAPSCREW - M12 X 1.75 X 50 | ||
| 9 | MM0714 | FLAT WASHER - M12 | ||
| 10 | MM0472 | LOCKWASHER - M12 | ||
| 11 | MM0179 | NUT - M12 X 1.75 | ||
| 12 | MM0618 | CAPSCREW - M12 X 1.75 X 30 | ||
| 13 | VC8762 | CAPSCREW - 3/8" - 16NC X 1 1/2" | ||
| 14 | TR4436 | FLAT WASHER - 3/8" | ||
| 15 | TC1231 | LOCKWASHER - 3/8" | ||
| 16 | TC1233 | NUT - 3/8" - 16NC | ||
| 17 | EJ9714 | GASKET | ||
| 18 | EK9790 | TRANSITION | ||
| 19 | EJ9713 | GASKET | ||
| 20 | EL1847 | TRANSITION STRUCTURE |
