
| Item | Part No. | Part Name | Qty | Serial No. |
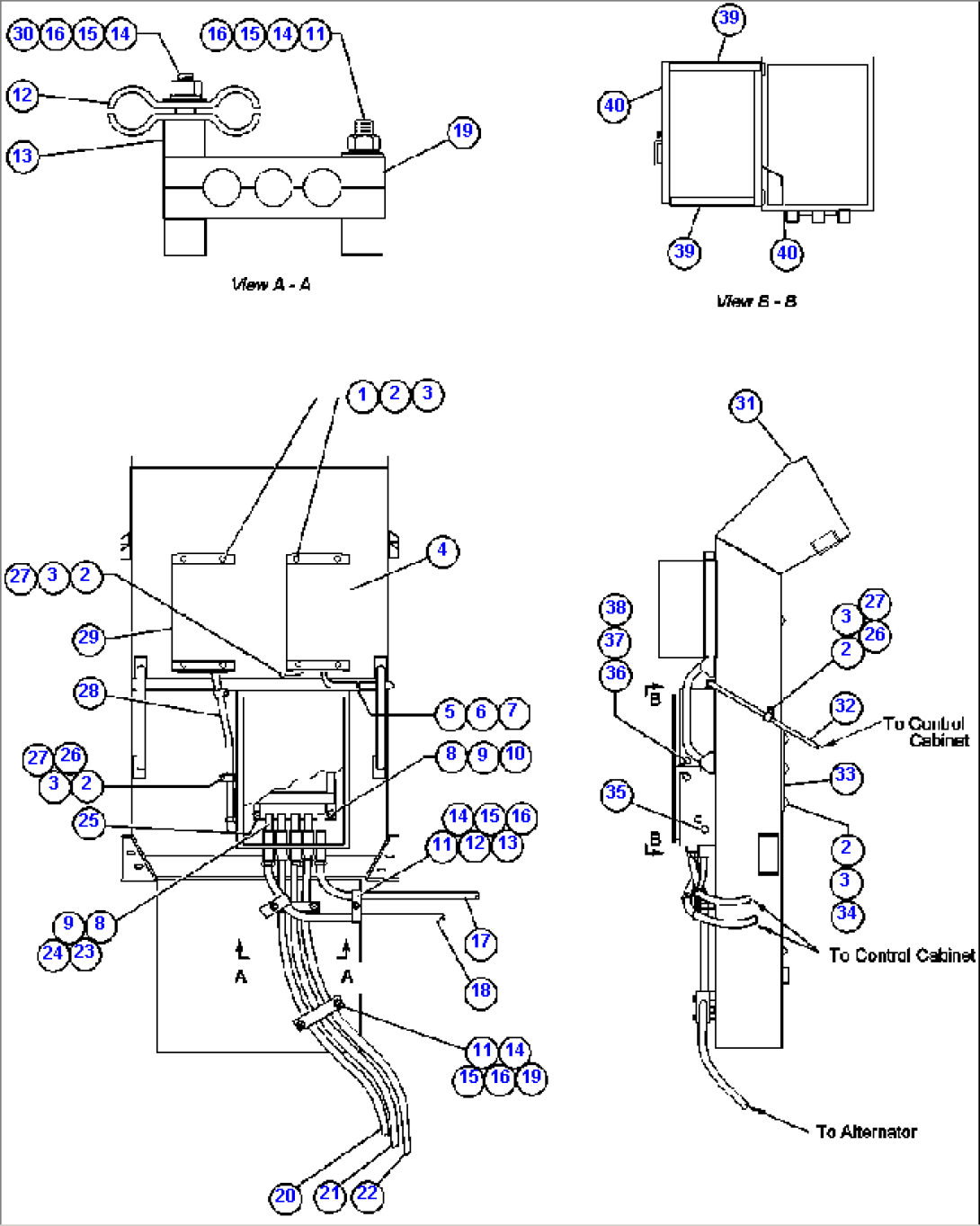
| 1 | MM0597 | CAPSCREW - M8 X 1.25 X 40 | ||
| 2 | MM0460 | FLAT WASHER - M8 | ||
| 3 | MM0470 | LOCKWASHER - M8 | ||
| 4 | PB5508 | PANEL, RESISTOR (SEE INDEX) | ||
| 5 | MM0019 | CAPSCREW - M6 X 1.00 X 16 | ||
| 6 | MM0459 | FLAT WASHER - M6 | ||
| 7 | MM0469 | LOCKWASHER - M6 | ||
| 8 | TC1231 | LOCKWASHER - 3/8" | ||
| 9 | TC1233 | NUT - 3/8" - 16NC | ||
| 10 | WA0720 | FLAT WASHER - 3/8" | ||
| 11 | EB9886 | STUD | ||
| 12 | TA8468 | CLEAT, CABLE | ||
| 13 | VA0609 | SPACER | ||
| 14 | MM0464 | FLAT WASHER - M16 | ||
| 15 | MM0474 | LOCKWASHER - M16 | ||
| 16 | MM0181 | NUT - M16 X 2.00 | ||
| 17 | CH3901 | CABLE - 7GA2 | ||
| 18 | CH3911 | CABLE - 7GA1 | ||
| 19 | VA0606 | CLAMP | ||
| 20 | CH3924 | CABLE - T1 | ||
| 21 | CH3925 | CABLE - T2 | ||
| 22 | CH3926 | CABLE - T3 | ||
| 23 | TD0789 | CAPSCREW - 3/8" - 16NC X 1 3/4" | ||
| 24 | TR4436 | FLAT WASHER - 3/8" | ||
| 25 | PB6489 | PANEL, RECTIFIER (SEE INDEX) | ||
| 26 | TG2568 | CLAMP | ||
| 27 | MM0177 | NUT - M8 X 1.25 | ||
| 28 | EC7734 | CABLE | ||
| 29 | PB5066 | PANEL, FILTER (SEE INDEX) | ||
| 30 | EC1089 | STUD | ||
| 31 | EH3331 | DUCT, INLET | ||
| 32 | TZ9163 | HARNESS | ||
| 33 | EC3368 | COVER | ||
| 34 | MM0022 | CAPSCREW - M8 X 1.25 X 20 | ||
| 35 | VP5374 | PLUG, BUTTON | ||
| 36 | VS7026 | LATCH, COVER | ||
| 37 | DC3101 | LOCKWASHER - #10 | ||
| 38 | VF2231 | MACHINE SCREW - #10 - 24NC X 3/8" | ||
| 39 | TY0553 | SEAL, STRIP | ||
| 40 | TY0554 | SEAL, STRIP |
