
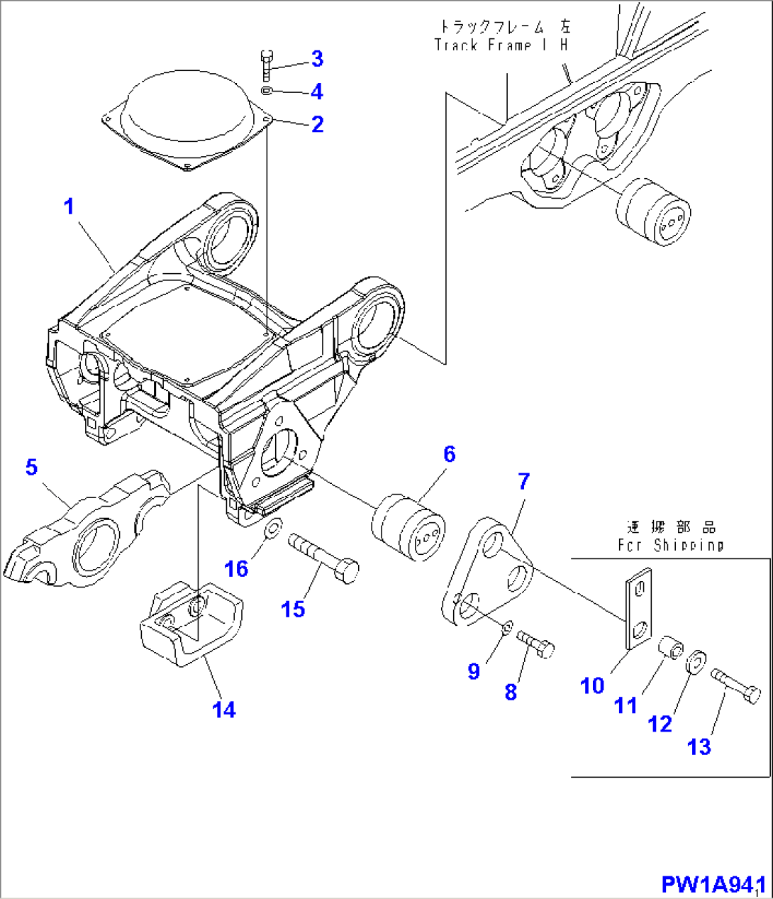
| Item | Part No. | Part Name | Qty | Serial No. |
| 195-30-01771 | BOGIE ASS'Y,(LARGE) | 18001- | ||
| 1 | 195-30-66510 | BOGIE,MAJOR | 18001- | |
| 2 | 195-30-66531 | PAD,MAJOR | 18001- | |
| 3 | 01010-81225 | BOLT | 18001- | |
| 4 | 01643-31232 | WASHER | 18001- | |
| 5 | 195-30-66520 | BOGIE,MINOR | 18001- | |
| 6 | (195-30-62400) | PIN ASS'Y | 18001- | |
| 7 | 195-30-66580 | COVER | 18001- | |
| 8 | 01010-62455 | BOLT | 18001- | |
| 9 | 01643-32460 | WASHER | 18001- | |
| 10 | 195-30-66611 | PLATE,(FOR SHIPPING) | 18001- | |
| 11 | 198-30-66190 | COLLER,(FOR SHIPPING) | 18001- | |
| 12 | 19M-54-11770 | PLATE,(FOR SHIPPING) | 18001- | |
| 13 | 01011-62410 | BOLT,(FOR SHIPPING) | 18001- | |
| 14 | 195-30-67230 | GUIDE | 18001- | |
| 15 | 01010-62795 | BOLT | 18001- | |
| 16 | 01643-32780 | WASHER | 18001- |
