
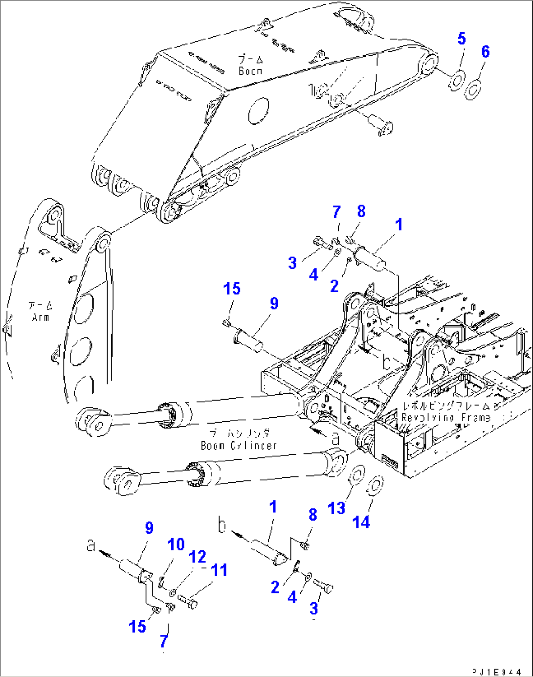
| Item | Part No. | Part Name | Qty | Serial No. |
| 1 | 21T-72-71171 | PIN | 10001- | |
| 2 | 21T-70-71490 | PLATE | 10001- | |
| 3 | 01010-82455 | BOLT | 10001- | |
| 4 | 01643-32460 | WASHER | 10001- | |
| 5 | 21T-70-64110 | SHIM, 1.0MM | 10001- | |
| 6 | 21T-70-64120 | SHIM, 1.5MM | 10001- | |
| 7 | 07049-03038 | PLUG | 10001- | |
| 8 | 07049-02430 | PLUG | 10001- | |
| 9 | 21T-72-71190 | PIN | 10001- | |
| 10 | 21T-70-71490 | PLATE | 10001- | |
| 11 | 01010-82455 | BOLT | 10001- | |
| 12 | 01643-32460 | WASHER | 10001- | |
| 13 | 21T-70-64110 | SHIM, 1.0MM | 10001- | |
| 14 | 21T-70-64120 | SHIM, 1.5MM | 10001- | |
| 15 | 07049-02430 | PLUG | 10001- |
