
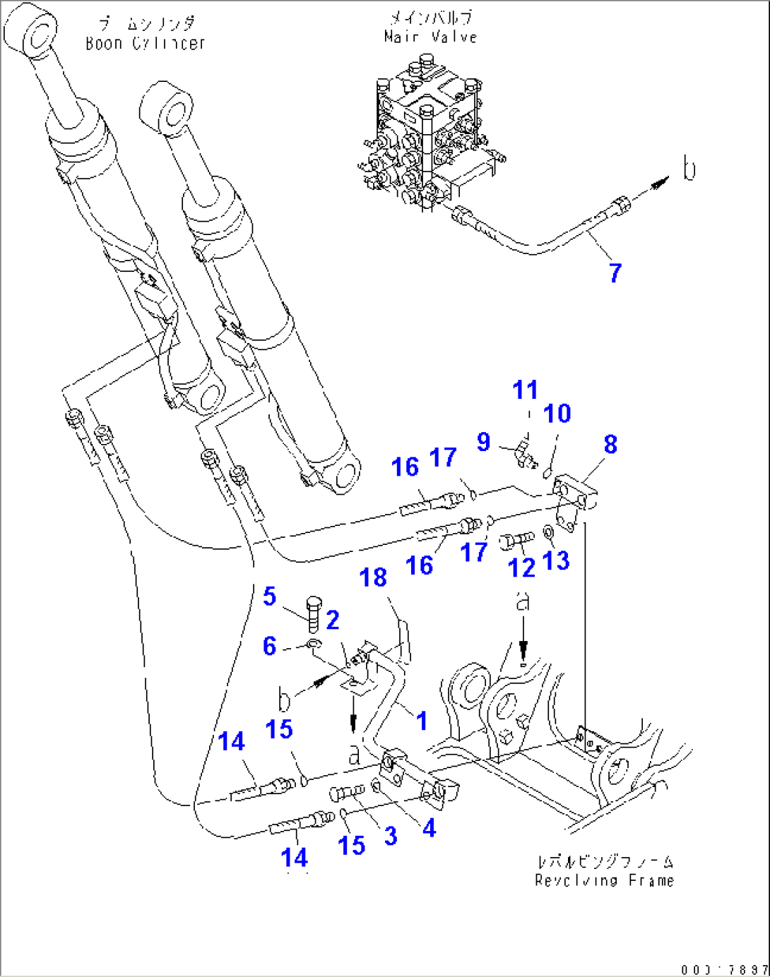
| Item | Part No. | Part Name | Qty | Serial No. |
| 1 | 22B-62-17241 | TUBE | 1501- | |
| 2 | 02896-11018 | O-RING | 1501- | |
| 3 | 01010-81230 | BOLT | 1501- | |
| 4 | 01643-31232 | WASHER | 1501- | |
| 5 | 01010-81235 | BOLT | 1501- | |
| 6 | 01643-31232 | WASHER | 1501- | |
| 7 | 22B-62-17230 | HOSE | 1501- | |
| 22B-62-17261 | BLOCK ASS'Y | 1501- | ||
| 8 | 22B-62-17410 | BLOCK | 1501- | |
| 9 | 02782-10516 | ELBOW | 1501- | |
| 10 | 07002-12034 | O-RING | 1501- | |
| 11 | 02896-11015 | O-RING | 1501- | |
| 12 | 01010-81230 | BOLT | 1501- | |
| 13 | 01643-31232 | WASHER | 1501- | |
| 14 | 22B-62-17280 | HOSE | 1501- | |
| 15 | 07002-12434 | O-RING | 1501- | |
| 16 | 22B-62-17290 | HOSE | 1501- | |
| 17 | 07002-12034 | O-RING | 1501- | |
| 18 | 22B-62-11350 | PLATE | 1501- |
