
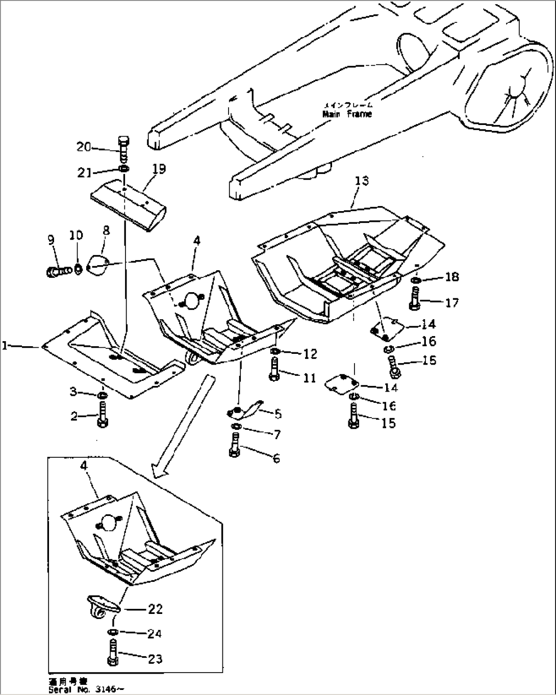
| Item | Part No. | Part Name | Qty | Serial No. |
| 1 | 154-54-45170 | COVER,FRONT | 3001- | |
| 2 | 01010-52045 | BOLT | 3001- | |
| 3 | 01643-32060 | WASHER | 3001- | |
| 4 | 154-54-45181 | COVER,ENGINE | 3146- | |
| 154-54-45180 | COVER,ENGINE | 3001-3145 | ||
| 5 | 154-54-45190 | COVER | 3001- | |
| 6 | 01010-51240 | BOLT | 3001- | |
| 7 | 01643-31232 | WASHER | 3001- | |
| 8 | 154-54-12850 | PLATE | 3001- | |
| 9 | 01010-51230 | BOLT | 3001- | |
| 10 | 01643-31232 | WASHER | 3001- | |
| 11 | 01010-52045 | BOLT | 3001- | |
| 12 | 01643-32060 | WASHER | 3001- | |
| 13 | 154-55-31330 | COVER,REAR | 3001- | |
| 14 | 154-55-31350 | COVER | 3001- | |
| 15 | 01010-51230 | BOLT | 3001- | |
| 16 | 01602-21236 | WASHER,SPRING | 3001- | |
| 17 | 01010-52045 | BOLT | 3001- | |
| 18 | 01643-32060 | WASHER | 3001- | |
| 19 | 154-54-41560 | BLOCK | 3001- | |
| 20 | 01010-51295 | BOLT | 3001- | |
| 21 | 01643-31232 | WASHER | 3001- | |
| 22 | 141-958-2120 | HOOK | 3146- | |
| 23 | 01010-52070 | BOLT | 3146- | |
| 24 | 01643-32060 | WASHER | 1346- |
