
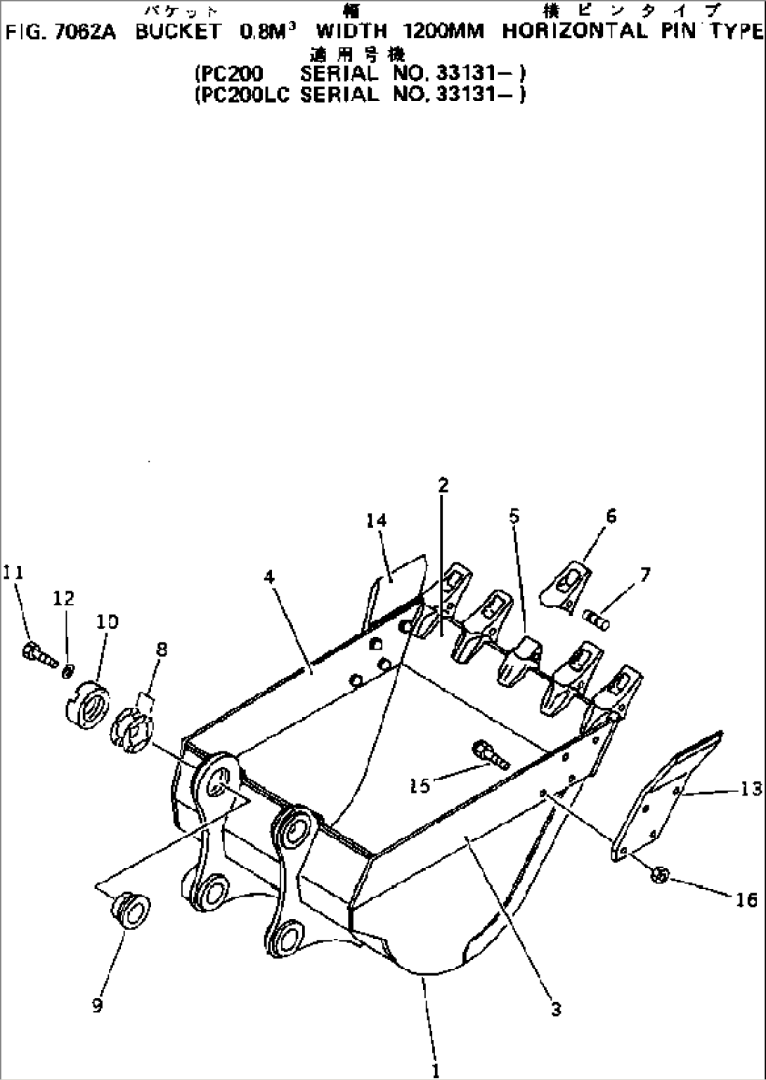
| Item | Part No. | Part Name | Qty | Serial No. |
| 1 | 20Y-920-1150 | BUCKET | 33131- | |
| 2 | 20Y-920-1120 | PLATE (WELDED) | 33131- | |
| 3 | 20Y-70-14131 | PLATE (WELDED) | 33131- | |
| 4 | 20Y-70-14141 | PLATE (WELDED) | 33131- | |
| 5 | 20Y-70-14520 | ADAPTER (WELDED) | 33131- | |
| 6 | 205-70-19570 | TOOTH | 20001- | |
| 7 | 09244-02496 | PIN | 20001- | |
| 8 | 205-70-00101 | SHIM ASS'Y | 33131- | |
| 8 | \6\ | SHIM, 0.5MM | 20001- | |
| 8 | \6\ | SHIM, 1.0MM | 33131- | |
| 9 | 205-70-74381 | SPACER | 20001- | |
| 10 | 205-70-74391 | PLATE | 20001- | |
| 11 | 01010-52055 | BOLT | 20001- | |
| 12 | 01643-32060 | WASHER | 20001- | |
| 13 | 205-70-74180 | CUTTER,L.H. | 20001- | |
| 14 | 205-70-74190 | CUTTER,R.H. | 20001- | |
| 15 | 176-32-11210 | BOLT | 20001- | |
| 16 | 01803-02430 | NUT | 20001- |
